Сохранить в закладки 62243102575:
The Super Critical fluid technology is a new-type separation technology in modern chemical separation. TheSuper Critical extraction takesCO2 as the solvent. AsCO2 fluid under Super Critical state has larger density anddielectric constant, larger dissolvability against substances, which can change abruptly when pressure and temperaturechange therefore it has not only the selection of dissolvability against some substances, the separation of the solventwith the extracted substances is also easily. The Super CriticalCO2 extraction is specially suitable for extraction offat-soluble and heat sensitive substances with high boiling point, and is suitable for fine separation of differentcomponents, i.e. Super Critical fine distillation.
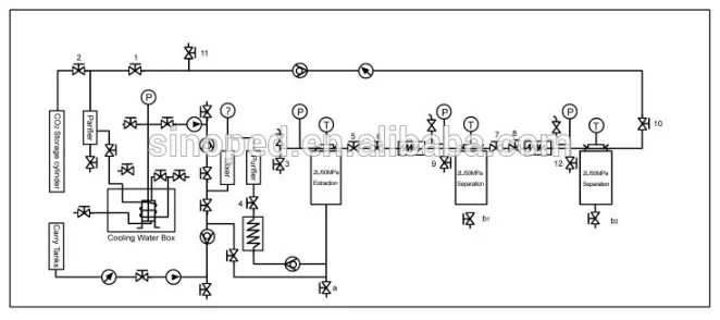
TakeCO2as the solvent to make extraction and purification upon a lot of products such as biological productsfoodstuff and medicines.
1. Low Critical temperaturesuitable for extraction and purification of heat sensitive compound.
2. Being capable to provide inert environment to avoid oxidation of products and affection of effectivecontent of extracts.
3. Fast extraction speed, no toxicity, non-flammable, safe application and no pollution upon Environment.
4. No residue of solvent, no nitrate and ions of heavy metal.
Application of the Super CriticalCO2 Fluid | ||
Range of Application | Type of Application | |
Pharmaceutical Industry | Extraction of effective contents of Chinese herbs, concentration,hemp oil, refinement and precipitation of raw material medicine, separation and refinement of fatty mixtures | |
Foodstuff Industry | Extraction of hops, caffeine removal from coffee berry, extraction of plant pigment | |
Cosmetics and PerfumeryIndustries | Separation and refinement of natural and synthetic perfumeries, dealkalization of extraction of raw material cosmetics | |
Chemical Industry | Separation of hydrocarbon, refinement of organic synthetic raw material, separationof azeotrope, retrieval of raw materials of reaction, dehydration of water soluble powder of organic solution, water oxidation | |
Others | Superconducting, semiconductor, ceramics, oil washing of petroleum core, enzyme catalytic reaction, preparation of materials, superfine granules, extraction of complex compound, supercritical dyeing technique, supercritical reaction,supercritical coating technique (pharmacy-making) | |
Sino Pharmaceutical Equipment Development (Liaoyang) Co., Ltd. (SINOPED) is a professional manufacturer and supplier of pharmaceutical and chemical machinery and equipment in China. We belong to SINOPEC International Group.
We have a well-experienced team to manufacture pharmaceutical machinery and equipments and a professional design institute. With rich experiences in pharmaceutical machinery and equipment field and numbers of professional engineers, we have designed and developed many types of machinery and equipments including clean room project, soft-gel production line, glass-lined reactor, fermentor, centrifuge, granulator, mixer, dryers, pulverizer, tablet press, soft and hard blister packing machine, capsule filling machines, cartoner and rollers, etc.
Due to our good credit and service, , we have made great achievements in the past years. We have established long-term business relations with many customers and some of our overseas customers have appointed us to be their purchase agency in China. Our products are exported to many countries & areas, such as Korea, India, Indonesia, Pakistan, Thailand, Vietnam, Japan, Denmark, Romania, Bulgaria, Russia, South Africa, Nigeria, the USA, Australia, Canada, Argentina and Chile. Besides machinery and equipment, we also supply production lines and turn key projects.
In SINOPED you can get your desired goods with the best prices and good quality. Welcome your enquiries from all over the world.
One-year warranty period for whole machine except of tubes and human factors etc, and 12-month of after-sale service from the date when you receive machine or 12 months when installation finished;
Consultant services for whole machine life, and 24 hours technical support by email;
UPS, English software, user manual and the installation & debugging by our experienced technicians.
1. Can your machine meet our need well?
We will supply you a proposal as to your specific requirement, and each machine is customized to satisfy customer’s need well.
2. Are you a factory or a trading company?
We are the manufacturer, and have been in industry for more than ten years.
3. What's your payment way?
T/T by our bank account directly, or by Alibaba’s trade assurance service, or by the West Union, or in cash.
4. How can you ensure the machine’s quality after we put the order?
Before the delivery, we will send you machine’s pictures and videos, or you can come to us to have the quality checking by yourself, or by the third party inspection organization contacted by your side.
5. We are afraid you won't deliver us the machine after we pay you the money.
Please note our above business license and certificates. And if you don't trust us, you can use Alibaba’s trade assurance service or by LC.
6. Why choose your company?
We have been engaged in the manufacturing of various packing machines professionally over 10 years, and we can provide better after-sales service.
Новинки товаров от производителей по оптовым ценам












