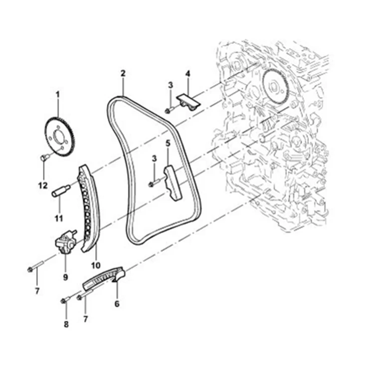
Timing Chain Parts