Share on (1100015350855):


1. Серия
-Серия SK .. E/SK .. ES
-Серия доставка SF; Сезон осень-зима .. ES
-Серия г .. ES
-Серия SIGEW .. ES
-Серия Сик .. ES
2. Спецификация маленького г .. ES
1). Состав: листовая сталь
2). Сэр .. ES: крепится с GE... ES тип Радиальные сферические подшипники скольжения.
3). Подвижный контакт поверхностей: сталь/сталь


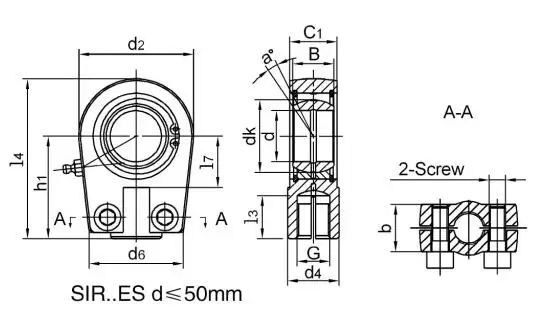
| Подшипник нет. | Габариты (мм) | A ° Неправильно. Угол обзора | Нагрузки (КН) | Винт | Вес И asymp; Кг | |||||||||||||
| D | B | Dk | C1 | D2 | G-6H | H1 | 13 | 14 | 17 | D4 | De | B | Динамический | Статического электричества | ||||
| SIR20ES | 20 | 16 | 29 | 19 | 56 | M16x1.5 | 50 | 17 | 78 | 25 | 25 | 46 | 17 | 9 | 30 | 81 | M8x16 | 0,44 |
| SIR25ES | 25 | 20 | 35,5 | 23 | 56 | M16X1.5 | 50 | 17 | 78 | 25 | 25 | 46 | 21 | 7 | 48 | 72 | M8x20 | 0,47 |
| SIR30ES | 30 | 22 | 40,7 | 28 | 64 ГБ | M22x1.5 | 60 | 23 | 92 | 30 | 32 | 50 | 26 | 6 | 62 | 106 | M8x25 | 0,77 |
| SIR35ES | 35 | 25 | 47 (Европа) | 30 | 78 | M28X1.5 | 70 | 29 | 109 | 38 | 40 | 66 | 28 | 6 | 79 | 153 | M10x30 | 1,24 |
| SIR40ES | 40 | 28 | 53 | 35 | 94 | M35x1.5 | 85 | 36 | 132 | 45 | 49 | 76 | 33 | 7 | 99 | 250 | M10x35 | 2,12 |
| SIR50ES | 50 | 35 | 66 | 40 | 116 | M45x1.5 | 105 | 46 | 163 | 55 | 61 | 90 | 37 | 7 | 156 | 365 | M12x40 | 3,74 |
| SIR60ES | 60 | 44 | 80 | 50 | 130 | M58x1.5 | 130 | 59 | 195 | 65 | 75 | 120 | 46 | 6 | 245 | 400 | M16x45 | 6,49 |
| SIR70ES | 70 | 49 | 92 | 55 | 154 | M65x1.5 | 150 | 66 | 227 | 75 | 86 | 130 | 51 | 6 | 313 | 540 | M16x50 | 9,88 |
| SIR80ES | 80 | 55 | 105 | 60 | 176 | M80x2 | 170 | 81 | 258 | 80 | 105 | 160 | 55 | 6 | 400 | 670 | M20x55 | 14,2 |
| SIR90ES | 90 | 60 | 115 | 65 | 206 | M100x2 | 210 | 101 | 313 | 90 | 124 | 180 | 60 | 5 | 488 | 980 | M20x60 | 20,0 |
| SIR100ES | 100 | 70 | 130 | 70 | 231 | M110x2 | 235 | 111 | 350,5 | 105 | 138 | 200 | 65 | 7 | 607 | 1120 | M24x65 | 27,5 |
| SIR110ES | 110 | 70 | 140 | 80 | 266 | M120x3 | 265 | 125 | 398 | 115 | 152 | 220 | 74 | 6 | 654 | 1700 | M24x80 | 45,6 |
| SIR120ES | 120 | 85 | 160 | 90 | 340 | M130x3 | 310 | 135 | 480 | 140 | 172 | 257 | 84 | 6 | 950 | 2900 | M27x85 | 72 |
3. Нотами г .. ES
1). Не могли бы вы поставить концы стержней со необслуживаемые сферические подшипники.
2). Для левой руки нить, буквы "L" добавляется количество подшипников и нитки знак. Е. Г.:SILR40ES M35 × 1.5L-6 часов
4. Размерный ряд
1)SK .. E 10,12
2)SK .. ES 15-80 мм
2) доставка SF; Сезон осень-зима .. ES 20-120 мм
3) г-н .. ES 20-50mm или 60-120 мм
4) Сик .. ES 12-60 мм
5)SIGEW .. ES 12-50 мм или 63-125 мм
5. Дизайн характеристики
1)SK .. ES
Тянущиеся стержень из тонкого Свариваемая сталь, со слотом в конических фрез и может быть установлен с помощью винтов с шестигранной головкой, комбинированного с GE... ES тип Радиальные сферические подшипники скольжения.
2) доставка SF; Сезон осень-зима .. ES
Тянущиеся стержень из тонкого Свариваемая сталь, с штифт, комбинированного с GE... ES тип Радиальные сферические подшипники скольжения, корпус с прямоугольным сварочная поверхность.
3) г-н .. ES
Подшипник с одиночным слотов для карт в конических фрез и может быть установлен с помощью винтов с шестигранной головкой, правую и левую нить, комбинированного с GE... ES тип Радиальные сферические подшипники скольжения.
4) Сик .. ES
Подшипник с двумя слотами в конических фрез и может быть clamoed с помощью винтов с шестигранной головкой, правую и левую нить, комбинированного с GE... ES тип Радиальные сферические подшипники скольжения.
5)SIGEW .. ES(12-50 мм)
Подшипник с двумя слотами в конических фрез и может быть clamoed с помощью винтов с шестигранной головкой, правую и левую нить, комбинированного с GEEW .. ES тип Радиальные сферические подшипники скольжения.
5)SIGEW .. ES(63-125 мм)
Подшипник с одиночным слотов для карт в конических фрез и может быть clamoed с помощью винтов с шестигранной головкой, правую и левую нить, комбинированного с GE... ES тип Радиальные сферические подшипники скольжения.


1. Вы являетесь производителем или торговой компанией?
Мы являемся ISO/TS Сертифицированный производительС тех пор, как 1995.
2. Какое минимальное количество для основных преимущества вашей компании?
-TS16949 сертифицированное производственное и инспекции объектов.
-Выделенная центр исследований и разработок.
-Гибкие производственные для того чтобы позволить для низкого до большого объема производства.
-Высокого качества работы на основе постоянного совершенствования и инвестиций.
-Высокий уровень обслуживания клиентов.
3. Не могли бы вы представиться коротко?
Создан in1986, ДваждыЯвляется динамичным и ориентированной на клиента подшипникПроизводительДоставки
Сумму решений на мировом рынке. Затратив множествоРазвития,ДваждыИмеетСтаньтеВысокотехнологичный
Предприятие с годовой объем продажUS $15 миллионов долларов США.ДваждыЗанимает площадь10000 квадратныйМетров
И насчитывает около 170Работников.ДваждыИмеет современное производственноеПринадлежности для лабораторииИзмерительный инструмент
Номер и более, чем 10 мастерских. Годовой объем производстваВсе виды установленМячПодшипники для пальто и шляп
Наконечники и обычный подшипник и т. д. вы можете просматривать имеют более чем 15 миллионовШт.
ДваждыТакже имеет тестированияВозможности: усталости, прочность, уровень шумаВибрации, грязиТехника для внесения удобрений иСоли
Спрей для тестирования и т. д.
4. Сколько сотрудников,Инженеры,Инспекторы контроля качества,Первый круглый Ланч-боксПроизводство
Сотрудников в вашей компании?
ДваждыИмеет более чем 170 работников, 5 R & D инженеров, 15 контроль качестваПерсонал,120
Первый он-лайнПроизводственный персонал.
5. Какова ваша основная продукция область применения?
ДваждыОсновной продукцией являются
-Опорные подшипники (подшипники)-все нержавеющая сталь шариковым подшибником единиц
-Термопластичный подшипниковые узлы для подавления массовых беспорядков (Стандартный & воды-доказательство) тяги подшипники иСвязей
-Сферические подшипники скольжения-концевые фитинги для газовые пружины и цилиндры (скобы и т. д.)
-Сельское хозяйство подшипники
6. Ваш основной рынок?
Наша продукция экспортируется по всему миру, наш основной рынок Европы, Северной Америки,Океания
И АзииИ т. д ..
7. Принимаете ли вы заказы по индивидуальному дизайну?
Да,ДваждыПринимаются OEM под юридического разрешения.
8. Можете ли вы произвести образец и серийное производство согласно чертежу заказчика
И быстрое изготовление образца?
Да, мы можем сделать.ДваждыОбеспечивает сумму разрешения подшипника заказчика специальныйТребования.
Как правило, минимальный размер заказа потребуется в зависимости от того, каждый запрос.Пожалуйста, свяжитесь сСвяжитесь с нами для
ПодробнееДетали.
9. Ваша компания получить какие-либо сертификаты?
Наша компания создала систему контроля качества и экологического менеджментаСистема
В соответствии сМеждународный стандарт TS16949 и ISO14001.
10. Как у вас способы оплаты?
-ДваждыПринимаются Банковский перевод, аккредитив, DP, OA. 30% авансового платежа потребуется при заказе.
Western Union /PayPal за небольшую стоимость заказа.
11. Какова ваша политика в отношении образцов?
A. Оплату за образц мы принимаем через системы стоимостью менее US $10, образцы будут бесплатно.
B. Для доставки образцов на сумму более US $10, но менее чем за US $30,
B1. Мы могли бы отправить образец во-первых с курьерскую плату на собирать основе; ОбразцаПлата должен быть оплачен
В тех случаях, когда партия после размещения заказа.
B2. Заказчик оплачивает оплату за образц мы принимаем через системы во-первых с курьерскую плату на собирать и мыКомпенсации
Клиенту в тех случаях, когдаПартия после размещения заказа.
C. Для торжественных или заказ продукции, на себя все расходы и Каков минимальный объем заказа могут быть применены. Имейте в видуПроверка
Свяжитесь с намиПеред тем, как сделать заказ.
12. Где находится ваша компания? Как попасть туда?
Дважды-Расположен в Quan Чжоу, развитые страны экономическая зона Юго-Восточной АзииКитай (материк),
С удовольствиемГлавное географическое положение и легкой пересылки доступаСо стороныМорским и воздушным транспортом.
New products from manufacturers at wholesale prices