The cheapest wood and plastic composite pp deck clip

Share on (1600344625988):


Price:$0.01 - $0.02

Quantity:


Product Overview

Description


Plastic clips

1. Product Name: plastic deck clip, plastic deck clip, wpc deck clip, wood deck clip, bamboo deck clip, composite deck clip, deck clips.

2. Material : PE, PP, ABS, PA, POM.....(100% new plastic granules )

3. Color: According to your needs, Any color can be adjusted.

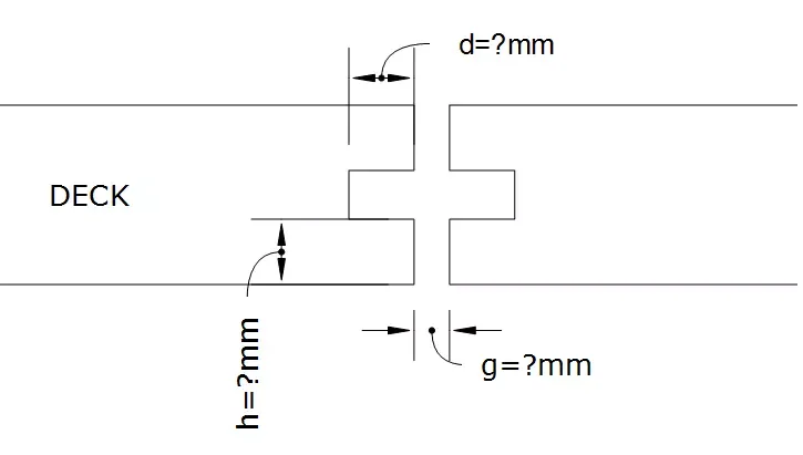
4. Dimensions : (H=?mm, Height can be adjusted according to needs)

















wLhg
18-25mm35-40mm5-12mm5-7mm


20200715123524.png

1
5.Packing: 100pieces/plastic bag. 20bags/carton

6. Payment terms : Less than 10000pieces, 100% deposit before shipment. More than 10000pieces, 30% deposit, 70% according to bill of loading copy

 


0.2102 s.