EL T 7091.00 Electric Cylinders For The Railway Maintenance Machinery Of Plasser Original Parts EL T 7059.00

Share on (1600437429013):


Price:

Quantity:


Product Overview

Description



Product Overview


Electric cylinderElectric cylinder
The compact electric cylinders of the component 010 are especially designed for demanding situations. They are equipped with high-quality, non-ferrous motors, withstand extreme loads and reach long .
* max. stroke: 40-100 mm
* max. push force: 50-500 N
* max. pull force: 50-500 N
* max. speed: 22 mm/s
* voltage: 12 V | 24 V
* degree of protection:IP 40 | IP 54
* integrated limit switch + einstellbar
* signal contact implemented
* potentiometer
* various travel speeds


FEATURES AT A GLANCE


\u0084》Integrated limit switch \u0084 Maintenance-free
(permanent lubrication)
》\u0084Iron free high-performance motors
\u0084》Various travel speeds
\u0084》Can be installed in any position\u0084I



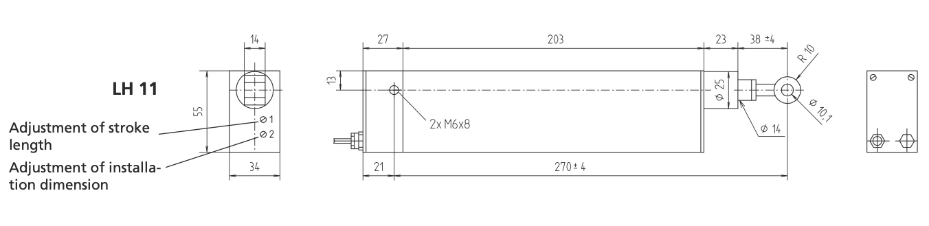
Right elevation
Left elevation
Front elevation




PRODUCT SPECIFICATIONS


Type: LH 11
Material: Steel
Dimensions (L x W x H) : 1650*1230*1250mm
Place of Origin: Swiss
Brand Name: Plasser
Design: Linear cylinder with integrated DC motor
Max. force: 300 N
Stroke length: 90 mmMax. 
speed: 7 mm/s
Repeatability: 0.5 mm
Voltage: 24 V DC 
Current output: Max. 1.1 A
Power input: Max. 27 W
Weight: 0.75 kg




Company Profile




Recommend Products




Suitable machine type




Our Services




Inventory & Delivery




Shipping & Packaging




0.1944 s.