Share on (1600538038733):
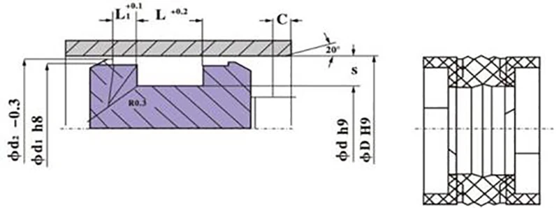
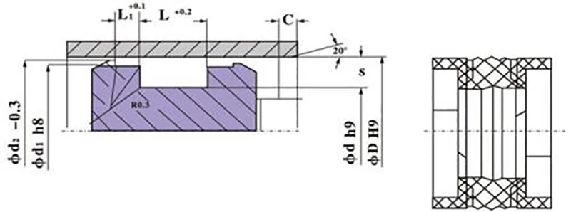
The DAS Compact Seal is a double-acting seal and guide element comprising an elastomeric profile seal ring, two back-up rings and two guide/wear rings. The profile seal ring seals in both the static and dynamic range whilst the backup rings prevent extrusion into the sealing gap. The function of the guide rings is to guide the piston in the cylinder tube and to absorb transverse forces. The design provides a compact seal and guide combination for a closed or split installation groove.
2,Application:
Combined piston seals DAS for reciprocated hydraulic cylinder, it's the recommended sealing element for double acting pistons of hydraulic components such as machine tools, truck cranes, forklifts & handling machinery, agriculture equipment and so on.
3,Material:
Elastomeric seal: NBR,FKM Back up ring: PA,POM,PU elastomer
Guide/Wear ring: PA,POM
4,Technical Date:
Working temperature | -30~ +110℃ |
Working pressure | ≤35Mpa |
Working medium | Mineral oil-based hydraulic fluids, flame retardant hydraulic fluids. |
Working speed | ≤0.5m/s |






1. Are you a trading company or factory?
Shenyang ZhongYe Seals Factory is a professional manufacturing enterprise. We manufacture products by ourselves and we source from other collaborative factories too which guarantees a competitive price and product variety.
2. How do I know your quality?
High solution detailed photos and sample will be able to verify our quality
3. Can I get a sample first? And how does it charge?
Yes, Free sample is available,shipping cost need prepaid by the customer.
4. Whatis your termsof payment,
A: Payment<=5000USD, 100% in advance. Payment>=5000USD, 30% T/T in advance, balance before shipment.
5. What about the lead time for mass production?
Honestly, it depends on the order quantity and the season you place the order. Generally speaking production lead time is within 2-4 weeks.
6. What is your termsof delivery?
We accept FOB, CIF, etc. You can choose the one which is the most convenient or cost effective for you.
7. How to get a quotation?
Please send us dimension or drawings with detailed PDF. If you have any requirements, please note and we could provide professional advice for you.
New products from manufacturers at wholesale prices