Share on (1600616159850):
Working Viscosity | <1x10-3m2/s |
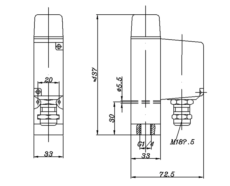
Switching Elements: | Microswitches |
Protection Class of Enclosure: | IP65 (accord with DIN40050) |
Ambient temperature: | -20℃~50℃ |
Medium Temperature: | 0~90℃ |
Mounting Position: | Pressure connection vertically downward (an angle of 15 is allowable). |
Anti-Vibration: | Max. 100m/s2 |
Repeatablity Error: | ≤1.5% |
Electrical rating : | AC 220V ,6A(Resistance) |
Dead Band Non-Adjustable | |||||||||||||
Set Point Adjustable Range Mpa | Dead Band No Greater Than | Switching FrequenceTime/min | Material of Sensor | Process Connection Type ** | Weight Kg | Order No. | |||||||
Lower limit of Set Point Range kPa | Upper limit of Set Point Range kPa | Housing | Diaphragm and Sealing Ring | ||||||||||
To adjust the Set Point by using Inner Hexgon Screw with a plastic cover | |||||||||||||
0.02…1.2 | 0.09 | 0.14 | 60 | AL | Nitrile Rubber | I | 0.4 | 0820150 | |||||
0.05…3 | 0.1 | 0.2 | I | 0820750 | |||||||||
0.02…1.2 | 0.09 | 0.14 | P | 0820250 | |||||||||
0.05…3 | 0.1 | 0.2 | P | 0820850 | |||||||||
To adjust the Set Point by using turnbutton with calibration | |||||||||||||
0.02…1.2 | 0.09 | 0.14 | 60 | AL | Nitrile Rubber | I | 0.45 | 0820250 | |||||
0.05…3 | 0.1 | 0.2 | I | 0820850 | |||||||||











New products from manufacturers at wholesale prices