Share on (1600628019184):

Features:
Wide current range
High surge current capabilities
Stud cathode and stud anode version
Typical Applications:
Converters
Power supplies
Machine tool controls
Battery charges
Forward Conduction
Parameter | Symbol | Min. | Max. | Typ. | Units | Conditions |
Repetitive peak reverse voltage | VRRM | 3200 |
|
| V |
|
Non repetitive peak reverse voltage | VRSM | 3300 |
|
| V |
|
Max. average forward current | IF(AV)M |
| 10.9 |
| A | Sinewave,180o conduction,Tc=45oC |
Max. RMS forward current | IF(RMS) |
| 40 |
| A | Nominal value |
Max. peak, one-cycle forward, non-repetitive surge current | IFSM |
| 250 |
| A | 10.0 msec (50Hz), sinusoidal wave- shape, 180o conduction, Tj = 150 oC |
Maximum I2t for fusing | I2t |
| - |
| A2s | |
Max. forward voltage drop | VFM |
| 2.72 |
| V | ITM = 55A; Tvj=25℃ |
Threshold voltage | VF0 |
| 1.7 |
| V |
Thermal and Mechanical Specifications
Parameter | Symbol | Min. | Max. | Typ. | Units | Conditions |
Operating temperature | Tj | -40 | +150 |
| oC |
|
Storage temperature | Tstg | -40 | +150 |
| oC |
|
Thermal resistance - junction to case | RQ (j-c) |
| - |
| K/W |
|
Thermal resistamce - case to heatsink | RQ (c-s) |
| - |
| K/W |
|
Mounting force | P | - | 8 |
| Nm | ± 10% |
Weight | W | - | - | 115 | g |
|
Case style |
|
|
| - |
| See Outline Table |
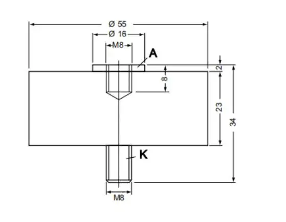
CASE OUTLINE AND DIMENSIONS.


Contact Name | John Chang & Sam Chow |
TEL | +86-514-87782298,87782296 |
Fax | +86-514-87782297,87367519 |
WEB | yzpst.com;Pst888.com;yzpstcc.com;yzpst.net |

New products from manufacturers at wholesale prices