Share on (1600831423930):


Type | Description | Specification |
Algorithm core board | CPU | High performance processor |
Interface | UART, industry standard line sequence | |
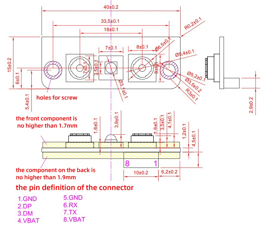
Motherboard size | 40mm * 15mm * 4.1mm | |
Camera module | Specification | Binocular IR + RGB camera |
Field angle | D80.0° H53.3° V67.5° | |
Recognition performance | Recognition time | 1.0s unlock |
Face number | 100 | |
FAR | < 0.0001% (one part in a million) | |
FRR | < 2% | |
Identification distance | 0.4 ~ 1.0 m | |
Identify height | 1.20m~ 2.00m (@1.20m lens height, 20° Angle) | |
electronic peephole | video output | USB UVC,MJPEG,30fps 1280*720,640*480,480*320,320*240 |
Operating conditions | Power input | DC 5.0 ~ 14.0V, typical voltage: 7.4V (voltage of two lithium batteries) |
Power consumption | Less than 2.0W | |
Operating temperature | -20℃ ~ 60℃ | |
Environment humidity | 10% to 90% no condensation | |
Storage condition | Temperature 23±5℃, relative humidity RH 35 ~ 70% | |
Storage life | Under recommended storage conditions, you are advised to use it within 6 months |
Signal function definition | ||||||||
No. | Signal definition | Signal type | LEVEL | Notes | ||||
1 | GND | GND | grounding | |||||
2 | DP | IO | USB D+ | |||||
3 | DM | IO | USB D- | |||||
4 | VBAT | POWER | Power input range 5.0 to 14.0V (Default: 2 lithium batteries) | |||||
5 | GND | GND | grounding | |||||
6 | UART_RX | IN | 3.3V | Communication serial port RX (face module input) | ||||
7 | UART_TX | OUT | 3.3V | Communication serial port TX (face module output) | ||||
8 | VBAT | POWER | Power input range 5.0 to 14.0V (Default: 2 lithium batteries) | |||||










New products from manufacturers at wholesale prices