Share on (1600940316043):
Product description:
Except the PV junction function, the PV combiner box should also have reverse current prevention, over-current protection, over-voltage protection, lightning protection, etc a series of perfect protection functions, meanwhile, checking the running state, current, voltage, and power after the junction, arrester state, collection of DC circuit breaker state and Arc detection, leakage detection(optional) and so on.
The PV combiner box we manufacture is equipped with all the functions mentioned above, configuration with on-grid/off-grid solar inverter to make up a complete set of solar power systems.
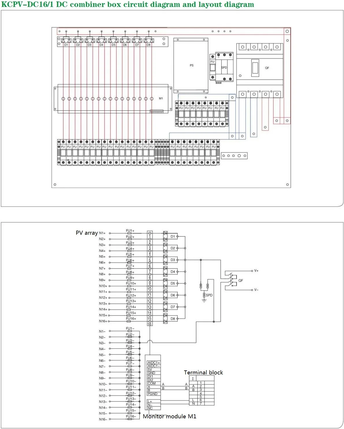
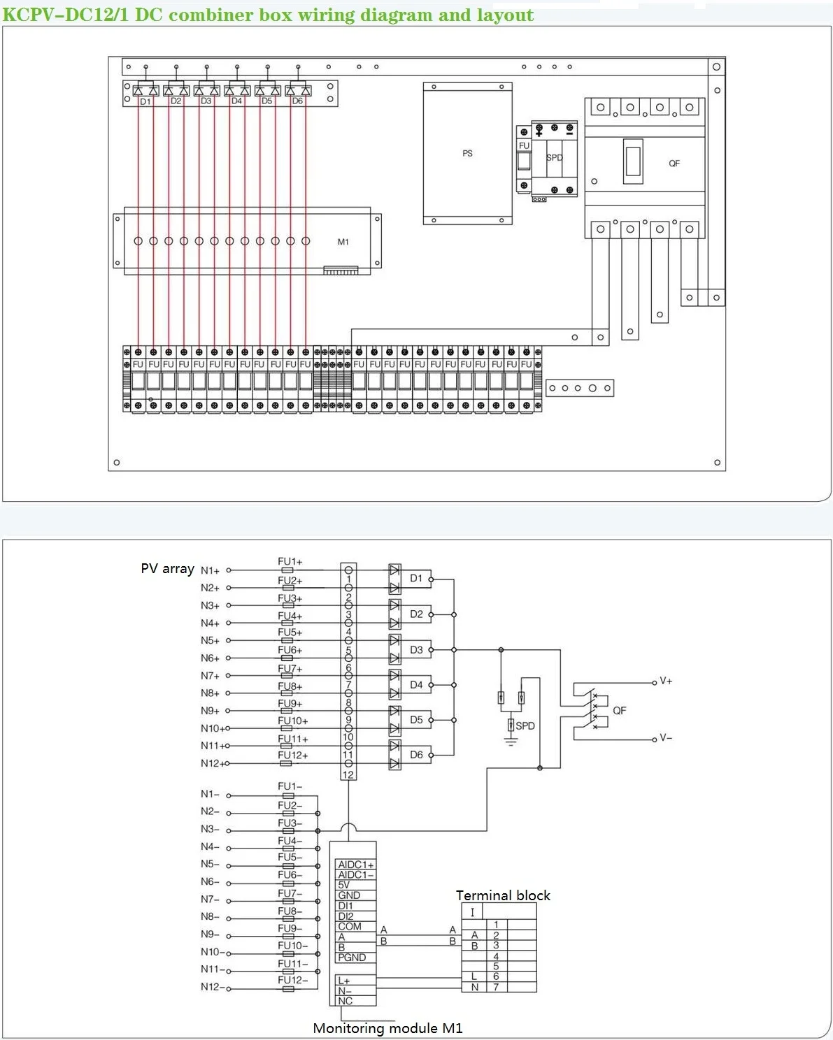
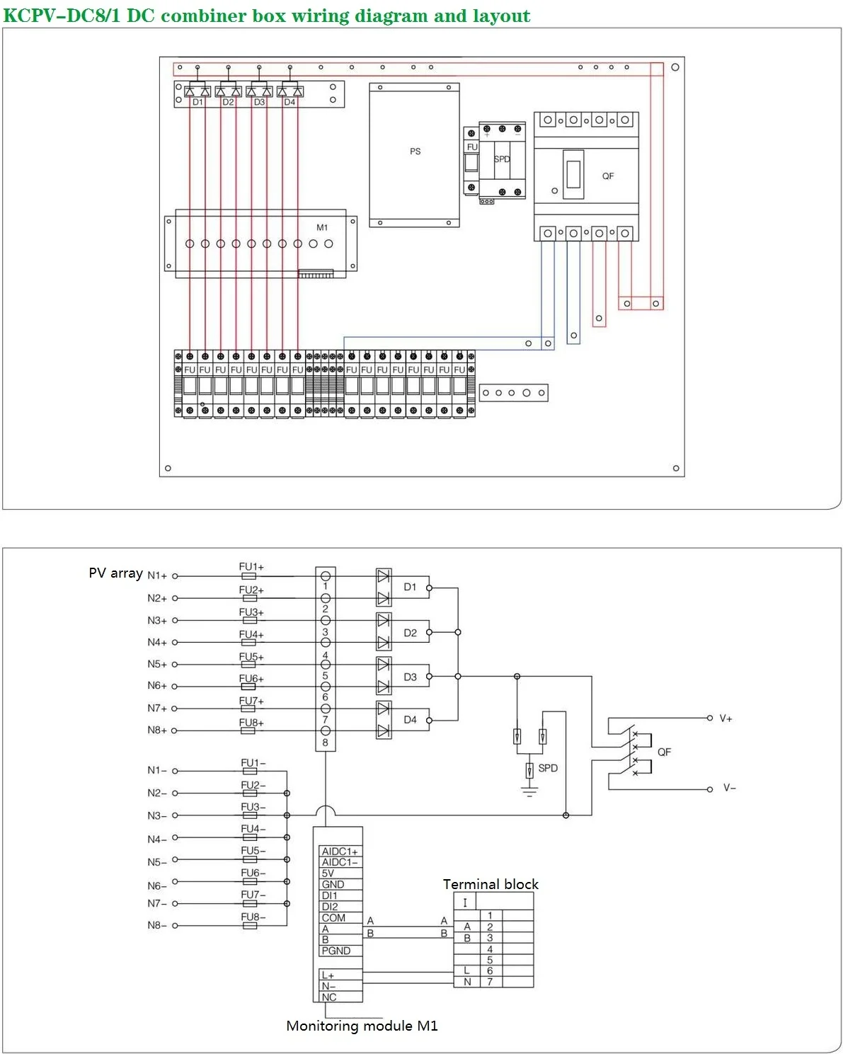
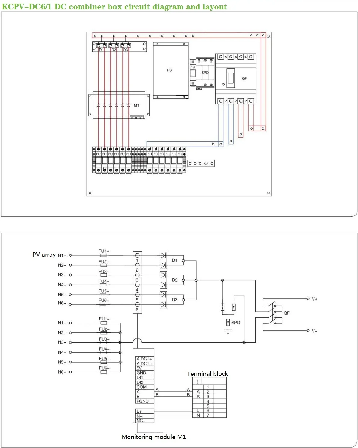
When choosing the PV combiner box, based on the input dc voltage range and output power of inverter, certain qty of panels will be connected in series as a string, certain strings in parallel will connect to the PV combiner box for junction, via control of circuit breaker and protection of arrester, then feed to the inverter.

Product features:
1. Conform to CGC/GF002:2010, PV Array Junction Box Technical Specifications
2. Allowable maximum 24 strings panels to connect, Nominal voltage of each string is 10A, maximum 15A
3. Total output current is 250A, the maximum voltage is 1500Vdc
4. For each string, high voltage fuse protection, and anti-connection protection.
5. Equipped with PV high voltage arrester protection
6. PV high voltage circuit breaker control the output, pressure-resistant DC1200V, fusing current is optional
7. In line with outdoor installation, protection class IP65
8. Isolate RS485 port used for remote data communication, support MODBUS-RTU protocol.
9. Built-in comprehensive protection alarm function, not only the variety of alarm parameters are programmable set, but also each alarm function can be set "On" Or "Off)
10. Real-time the harmful arc in the DC circuit, once there is the harmful arc, an alarm will work and directly make the trip switch and cut off fault circuit, accordingly, prevent the fire disaster, etc from the arc.

Product parameters:


Product installation effect and circuit layout:






Environment condition:
1. Ambient air temperature: -5~+40 and the average temperature should not exceed +35 in 24h.
2. Install and use indoors. Altitude above sea level for operation site should not exceed 2000M.
3. Relative humidity should not exceed 50% at max temperature +40. Higher relative humidity is allowed at lower temperature. Ex. 90% at +20. But in view of the temperature change, it is possible that moderate dews will produce casually.
4. Installation gradient not exceed 5.
5. Install in the places without fierce vibration and shock and the sites insufficient to erode the electrical components.
6. Any specific requirement, consult with manufactory.

Product details:

Product Photograph:


Workshop:

Certificate:

Product application cases:



Transportation and packaging:
New products from manufacturers at wholesale prices