3 Wings Concave 6 inch PDC Drill Bit for Coal Mining Rock Borehole Drilling

Share on (1601279293843):


Price:$85.00 - $93.00

Quantity:


Product Overview

Description



Specification


item
Value
Standard
ISO9001:2015
Applicable Industries
Building Material Shops, Machinery Repair Shops, Construction works , Energy & Mining
Weight (KG)
6
Showroom Location
None
Video outgoing-inspection
Provided
Machinery Test Report
Provided
Marketing Type
New Product 2024
Place of Origin
China
Hunan
Condition
New
Brand Name
FS
Type
DRILL BIT
Machine Type
Drilling Tool
Material
Carbon steel
Processing Type
Forging
Use
Coal Mining
Product name
3 Wings Concave Drill Bit
Quality
High Quality
MOQ
20PCS
Size
153mm
Thread
2" API REG Thread





Three wings reinforced concave drill bit
Size: 153mm/ 6"inch

Cutter:12pcs 1304, 2pcs 1304
Weight: 6kg

Suitable strata: red sandstone, mudstone, coal seam, backfill, limestone, dolomite and other intact strata

Mainly use for: water well, geothermal, grouting hole, tile wire discharge hole, slope, support, anchor cable


Rock and Soil Types
Degree of Weathering
fa0
qik
clay, silty clay
Hard plastic
200
60
Soft plastic
100
30
gravelly soil
Soft-slightly less density
350
120
cobbly soil
Slightly-middle density
450
140
silty mudstone, sandy mudstone, mudstone, marl
Strong weathering
350
120
Moderately weathering
800
siltstone, sandstone
Strong weathering
450
140
Moderately weathering
1000
basalt
Strong weathering
500
150
Moderately weathering
1200
limestone, dolomite
Strong weathering
600
160
Moderately weathering
1200


Custom Process


If you need to customize the product, please specify the requirements for customization before placing an order.
Please let me know the following informations.





Customized products
The main parts that can be customized are: PDC piece, hard alloy piece, thread type, bit gauge protection, size, type, coating, drawing.


1. Custom PDC
PDC comprise diamond surface, hard alloy as the base


D: Diameter, H: Height (The total height of the PDC), t: The Height Of Diamond Layer
The main sizes are: 1005,1304, 1305, 1308,1613,etc.


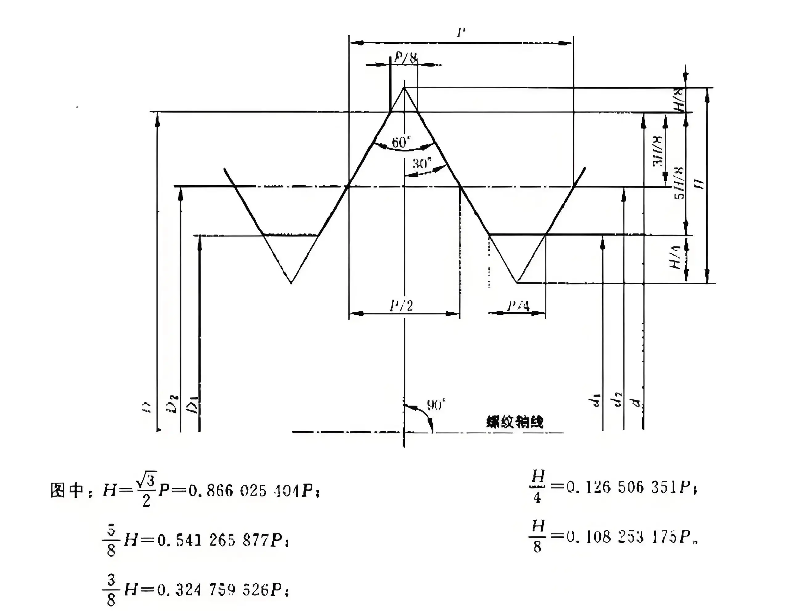
2. Custom Thread
If you need to customize the thread, please measure the data of each part according to the following diagram.
There are straight and conical threads. We can also send the thread drawings as shown below directly





3. Custom bit gauge protection
About drill bit steel body gauge protection teeth insets material and position.


(1) Material


Hard Alloy
Hard alloy is a powder of one or several refractory carbides (tungsten carbide, titanium carbide, etc.) as the main component, and a metal powder (cobalt, nickel, etc.) added as a agglomerant. The main models are YG, YW, YT. According to the features of the metal, according to the features of the formation, select the corresponding corrosion resistance, heat resistance, compressive strength of good materials. It has wide range of application, flexible choice according to the actual situation.
PDC
PDC is the abbreviation of polycrystalline diamond compact. A cutters to shear rock with a continuous scraping motion. The cemented carbide substrate and diamond surface, have good compressive strength, heat-resistant capacity, performance of cemented carbide and the hardness of diamond. It has good rock cutting performance.



(2) Position


Wing Side
Prevent excessive wear of the side of steel body in the drill work, and balance drilling process through the rock and soil fomation (choose more)
Under Wing
Bear part of the pressure brought by the side of drill bit during the bit rotation to increase the cutting speed and reduce blade wear
Top
Based on the same model increases the effective cutting area, thereby increasing the drilling speed




4. Customized product display pictures
Show time
Speedmade Industries custom products
Custom all kinds of sizes, models, threads
Design drawings/ graphics can be customized


Custom Products
Custom Blades/ Cutting Board


Customer Feedback


Three-wing Drag bit.
Construction Site Product Test


Drilling Rig
Xitan 150
Type of Drill Bit
75# 3" Three-wing conventional scraper bread slices 42 thread connection, one PDC piece gauge under each wing
Stratum
Pavement concrete
Use condition
At present, a drill bit (as shown at left side) has drilled more than 400 holes 
a hole has 3 meters, a total of about 1200 meters, the composite sheet
has no wear, and the steel body has a little wear on the side of each wing


Three-wing Concave Drag bit.
Tuff Formation Product Test


Drilling Rig
Changtan 200
Type of Drill Bit
133# 5-1/4" Three wing reinforced concave
Stratum
Tuff
Penetration Speed
2-3m/ h
Use condition
Fast penetration speed
Good wear resistance
Smooth use
Unplugging
Drilling without blocking


Company Profile


Speedmade Industries Co., Ltd. is referred to as FS.
The following is workshop and production equipment pictures of FS factory.


Company brief introduction
Hunan Speedmade Industries Co., Ltd. was established in 2009.
It covers an area of over 2000㎡.
We have more than 50 machines and equipments, 5 production lines.
We have independent R&D team, won more than 100 R&D patents.
Our product widely used, mainly used in Wells,ground heat sources, coal mines, geotechnical engineering, geological exploration, slope support, oil fields and other aspects.


workshop of plant
We have cutting machine, grinding machine, polishing machine, thread cutting machine, slot milling machine, welding machine, flushing machine, heat preservation machine, laser engraving machine, wrapping machine, etc. We use these machine to process and produce customers' products.


Certifications


Our certificate of honor
All kinds of patent technical certification issued by Hunan Provincial Department of Industry and Information Technology.




Packing & Transportation


Express delivery service provided by our shop



Packaging
We mainly use carton and wooden box two packaging methods, if there are other packaging materials requirements, support customization.


Carton
Samples and lighter goods
Wooden Case
Large cargo



Transportation
Four shipping options are available


Sea Freight
Air Freight
Land Transportation


Express Delivery
If there is a designated carrier, please let us know.


FAQ


1. who are we?
We are based in Hunan, China, start from 2019,sell to South Asia(16.00%),Mid East(15.00%),Africa(13.00%),Southeast
Asia(12.00%),Eastern Asia(10.00%),North America(8.00%),Central America(6.00%),South America(6.00%),Northern Europe(4.00%),Western
Europe(3.00%),Domestic Market(3.00%),Oceania(2.00%),Eastern Europe(1.00%),Southern Europe(1.00%). There are total about 51-100
people in our office.

2. how can we guarantee quality?
Always a pre-production sample before mass production;
Always final Inspection before shipment;

3.what can you buy from us?
PDC drill bit,diamond core bit,water well drill bit,alloy drill bit,core drill bits

4. why should you buy from us not from other suppliers?
The company has built a high-performance Diamond core bit, DTH hammer bits, hole opener and PDC bit and drilling tools production
line with advanced technology, complete equipment and standardized management,we are drilling bits professional manufacture.Hi

5. what services can we provide?
Accepted Delivery Terms: FOB,CIF,EXW,Express Delivery;
Accepted Payment Currency:USD,EUR,CAD,AUD,GBP,CNY;
Accepted Payment Type: T/T,L/C,MoneyGram,Credit Card,PayPal,Western Union,Cash,Escrow;
Language Spoken:English,Chinese,Spanish,French,Russian


0.1462 s.