Share on (1955034498):

SUNRISE Supply High Quality OEM Air Through shaft brake
Air Brake advantage:
*Dimensionally smaller units, giving a more compact machine design
*Reduction in price due to smaller design
*Lower top speeds minimized the wear of the linings
*Constant controllable torque from a stable friction lining material
*Suitable for all types of applications
*Suitable for high heat dissipation
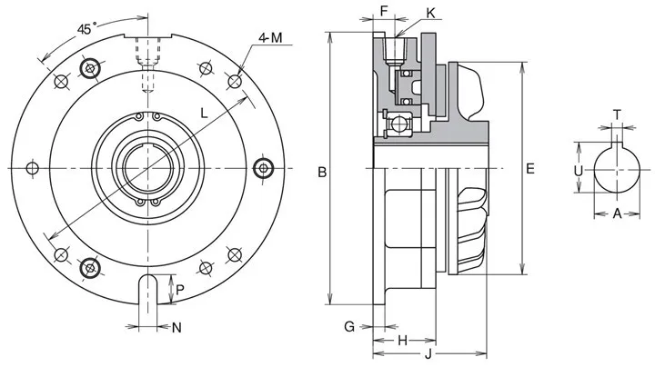
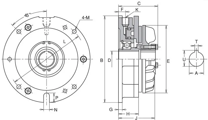
Air brake data:
NAB-S with shaft NAB-s w/o shaft
| ||||||||
| Model | Static Torque [kgf-m] (N-m) at 0.6 Mpa | Air chamber capacity (cm³) | Plate allowed clearance Vf (cm³) | Max rotation speed Nc(r/min) | Moment of inertia (cm²) | Key(mm) | Weight(kg) | |
| Min Vn | Max Vo | |||||||
| NAB5 | 5.3(53) | 10.31 | 23.31 | 14.74 | 3600 | 9.69x10-4 | 6x6x25 | 3.5 |
| NAB10 | 10 (100) | 16.78 | 34.55 | 25.12 | 2800 | 4.59X10-3 | 10X8X30 | 6.6 |
| NAB20 | 21.6(216) | 17.03 | 54.20 | 58.05 | 2200 | 1.694X10-2 | 12X8X45 | 12 |
| NAB40 | 41(410) | 28.5 | 141.9 | 146.6 | 1800 | 4.74X10-2 | 12X11X65 | 25 |
| NAB65 | 63.6(636) | 34.54 | 193.9 | 299.8 | 1600 | 10.76X10-1 | 12X11X65 | 36 |


*Textile machinery: fiber twisters, treatment machines, weaving machines
* Metal fishing systems: extruders, wire stretchers, presses, welders, steel wire retractors, cutters, pipe makers, wire winding machines
*Machine tool systems: lathes,
* Millers, steel extruders, CNC lathes, specialized machinery
* Transportation equipment: hoists, feeders, conveyors, rollers, winders
* Paper- making systems: bag-making machines, box-making machines, slitters, book-making machinery, cutters, copy paper machines
Still frustrated about your powder brake, powder clutch, air shaft or safety chucks, tension controllers? And looking for available and enduring ones with warranty?
You’ve come to the right place!
Established in 2003 and located in Dongguan city, SUNRISE GROUP INDUSTRIAL CO., LTD is a professional manufacturer and trader of powder clutches, powder brakes, electromagnetic clutches, electromagnetic brakes, air clutches, air brakes, air shafts, safety chucks, rollers and tension controllers. You name it, we specialize in it!

Due to the positive image and quality products, SUNRISE GROUP INDUSTRIAL CO., LTD has gained a large share of the market, along with the products sold in over 30 countries and regions, including US, Mexico, Colombia, German, UK, Australia, Italy, Spain, Portugal, Russia, Korea, Malaysia and eastern European countries etc...



1. When can I get the quotation?
We usually quoted within 24 hours after receiving your inquiry. If you are very urgent to get the price, please call us or tell us in your email, so that we can regard your inquiry priority.
2. How should I place the order?
Please let us know the model number based on our specs for powder clutch, powder brake, air clutch, air brake, electromagnetic clutch, electromagnetic brake and safety chucks. For air shaft and roller, please show us your drawing, or let us know your request, and then we will provide you drawing for confirmation.
3. What’s your MOQ basis?
Normally, we don’t have MOQ request, except the rollers.
4. What about the lead time for production?
Honestly, it depends on the order quantity and the type of our products. For powder clutch, powder brake, tension controller, load cell and edge position controller which is about 3-5 days. For safety chucks, air shaft and roller which need about 15-30days.
5. What is the term of delivery?
We can arrange with EXW, FOB, CIF…etc. You can choose the most convenient one or cost-effective way.
New products from manufacturers at wholesale prices