Share on (60415502537):

DVS3722B 3 phases 220vac 7A stepper driver with performance

stepper driver
Ø Description
The DVS3722B is full digital 3-phase stepper driver based on DSP control,the voltage ranges from 80V to 290VAC. It is designed for use with the 3-phase hybrid stepper motor of all kinds with 57mm to 130mm outside diameter, regulated phase current from 1.3 A to 7.0A. The circuit that it adopts is similar to the circuit of servo control which enables the motor run smoothly without noise and vibration. Moreover, its torque is far greater than 2 and 5 phase hybrid stepping motors.
Ø Application
It is widely used in curving machine, processing equipment, packing machine, electronic machine, and etc.
Ø Feature
l 16 channels constant angle, constant torque micro steps, highest micro step: 60000ppr
l Highest response frequency: 200Kpps
l Current of winding will be reduced by approximately 50% when no step pulse command is received for 1.5 seconds
l Opto-isolated signal I/O
l Drive current is adjustable in 16 channels from 1.3A/phase to 7.0A/phase
l Single power supply from Single power supply from 160V to 270VAC
l Better to overcome the problem of low frequency vibration
l Dimension : 202×78×147mm3; Net Weight : 1.7Kg

Ø Current Setting
Stepper driver working current is set by DIP switches D1 to D4.
|
Working current (A) |
1.3 |
1.6 |
2.1 |
2.3 |
2.5 |
3.0 |
3.2 |
3.5 |
|
D1 |
OFF |
OFF |
OFF |
OFF |
OFF |
OFF |
OFF |
OFF |
|
D2 |
OFF |
OFF |
OFF |
OFF |
ON |
ON |
ON |
ON |
|
D3 |
OFF |
OFF |
ON |
ON |
OFF |
OFF |
ON |
ON |
|
D4 |
OFF |
ON |
OFF |
ON |
OFF |
ON |
OFF |
ON |
|
Working current (A) |
4.0 |
4.5 |
5.0 |
5.3 |
5.8 |
6.2 |
6.5 |
7.0 |
|
D1 |
ON |
ON |
ON |
ON |
ON |
ON |
ON |
ON |
|
D2 |
OFF |
OFF |
OFF |
OFF |
ON |
ON |
ON |
ON |
|
D3 |
OFF |
OFF |
ON |
ON |
OFF |
OFF |
ON |
ON |
|
D4 |
OFF |
ON |
OFF |
ON |
OFF |
ON |
OFF |
ON |
Ø Subdivision(micro step) Setting
The subdivision (micro step) is set by DIP switches D5 to D8, 16 channels in total. D9 and D10 are used to set the driver function.
|
Subdivision (micro step) ppr |
400 |
500 |
600 |
800 |
1000 |
1200 |
2000 |
3000 |
|
D5 |
ON |
ON |
ON |
ON |
ON |
ON |
ON |
ON |
|
D6 |
ON |
ON |
ON |
ON |
OFF |
OFF |
OFF |
OFF |
|
D7 |
ON |
ON |
OFF |
OFF |
ON |
ON |
OFF |
OFF |
|
D8 |
ON |
OFF |
ON |
OFF |
ON |
OFF |
ON |
OFF |
|
Subdivision (micro step) ppr |
4000 |
5000 |
6000 |
10000 |
8000 |
20000 |
30000 |
60000 |
|
D5 |
OFF |
OFF |
OFF |
OFF |
OFF |
OFF |
OFF |
OFF |
|
D6 |
ON |
ON |
ON |
ON |
OFF |
OFF |
OFF |
OFF |
|
D7 |
ON |
ON |
OFF |
OFF |
ON |
ON |
OFF |
OFF |
|
D8 |
ON |
OFF |
ON |
OFF |
ON |
OFF |
ON |
OFF |
|
D9 |
ON, double pulse: PU is positive pulse signal, DR is negative pulse signal |
|||||||
|
OFF, single pulse: PU is pulse signal, DR is direction signal |
||||||||
|
D10 |
Self detect switch (OFF: accept external pulse, ON: the driver send pulse to make the motor work at the speed of 30r/m) |
|||||||
Ø CAUTION
1. The drive can protect itself when the input voltage is under 80V or over 290V.
2. Input control signal is 5V, current-limiting resistance should be connected when it is over 5V.and the drive is designed with 24V signal interface.
3. Input pulse signal is effective with the falling edge.
4. The drive fan works only when the temperature of the drive is up to 48ºC.
5. Alarm indicator ALM lights and the driver stops working when the driver temperature is over 80℃. It restarts working until the temperature falls to 50℃. The heat sink is needed when overheat occurs.
6. The distance between each drive should be less than 5cm when there are more than two drives run at the same time in a machine cabinet.
7. Alarm indicator ALM lights when overcurrent (short of load) occurs. Please check motor’s connection and other shorts and turn the power supply on after removing the trouble.
8. Alarm indicator ALM lights when no motor connected or poor connection. Please check motor’s connection and turn the power supply on after removing the trouble.
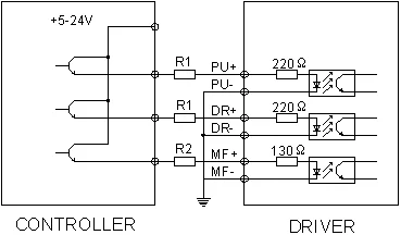
Ø Input Signal Common Anode Connection

Ø Input Signal Common Cathode Connection

Ø Dimension Diagram


Ø Terminal Function
|
Port |
Connector pin No. |
Symbol |
Functions / Applications |
Definition |
|
DB15 |
1 |
5PU+ |
Positive of opto-isolated input signal |
Connect to +5V power supply, drive voltage ranges from 5V to +24V. Current-limiting resistance is needed when it is over 5V. |
|
2 |
PU- |
DP9=OFF, PU is step pulse signal |
With the falling edge of the signal PU, the motor executes an angular step. The input resistance is 220Ω. Low voltage 0-0.5V, high voltage 4-5V, pulse width>2.5μS. |
|
|
DP9=ON, PU is positive step pulse signal |
||||
|
3 |
5DR+ |
Positive of opto-isolated input signal |
Connect to +5V power supply, drive voltage ranges from 5V to +24V. Current-limiting resistance is needed when it is over 5V. |
|
|
4 |
DR- |
DP9=OFF, DR is direction signal |
Change the motor’s direction of rotation. Input resistance is 220Ω. Low voltage 0-0.5V, high voltage 4-5V, pulse width>2.5μS |
|
|
DP9=ON, DR is negative step pulse signal |
||||
|
7 |
5MF+ |
Positive of opto-isolated input signal |
Connect to +5V power supply, drive voltage ranges from 5V to +24V. Current-limiting resistance is needed when it is over 5V. |
|
|
8 |
MF- |
Motor free signal |
The motor current will be cut off and the driver stops working when it is effective. |
|
|
9 |
ALM+ |
Positive of opto-isolated alarm signal |
The signal is effective (low voltage) when the driver is overcurrent, overheat. |
|
|
10 |
ALM- |
Negative of opto-isolated alarm signal |
||
|
11 |
RDY+ |
Positive of opto-isolated ready signal |
It is effective (low voltage) when the driver is ready for receiving controller’s signal. |
|
|
12 |
RDY- |
Negative of opto-isolated ready signal |
||
|
13 |
24PU+ |
Positive of opto-isolated input signal |
Drive voltage: +24V |
|
|
14 |
24DR+ |
|||
|
15 |
24MF+ |
|||
|
Motor and power supply |
1,2 |
L,N |
Power supply |
80V-290VAC |
|
3 |
PE |
Ground |
Ground terminal |
|
|
4 |
U |
Connection |
![]() |
|
|
5 |
V |
|||
| 6 | W |


Shenzhen DVS mechatronics co., ltd is a well-known company specializing in designing, producing and marketing motor drives and motors based on the most advanced technology in China. In 2014, we company was recognized as "national high-tech enterprise". Since DVS was founded in 2009, the inception --"to survive by quality and develop by service" has been uphold all the time. So we quickly occupied the automation industry market with excellent quality, competitive price and timely technical supports to our clients in just 6 years. Meanwhile our products are widely used in domestic market with a good reputation. Although there is quite a few companies copying and imitating our products, we are not caught up due to our advanced technology and professional equipments. Today there is tens of thousands of industries and OEM clients establishing long-term relationships of cooperation with us and becoming our loyal customers as well as treasured friends.
DVS offers a full complement of automation products with high quality including hybrid stepper motor drives & motors, AC servo drives & motors, easy servo systems (closed loop stepper). DVS has a strong R&D team consisting of 30 talents who possess at least 10 years relevant experience and high educated backgrounds in this field, which allows DVS to have capability of designing excellent motion controllers. Now all of DVS series of products have been successfully used in CNC machines, packing machines, textile machines, printing machines, engraving machine, labeling machines and etc. Moreover, Not only do we offer a wealth of industrial automation products but also provide clients with the most suitable selection scheme to help our customers to reduce their costs and enhance competitiveness in their industries. Because DVS believes that only we fully understand our customers and work closely with OEM clients can we be a successful motion product supplier. So in many cases, DVS experts and engineers themselves participate in the whole process of client product development, including initial application evaluation, product selection& suggestion.
DVS has been adhering to the "quality casts brand" business philosophy, and so the quality and performance of products are strictly controlled in accordance with international standards. Our production capacity can reach to 28,000pcs monthly. In order to reach requirements of stable and reliable performance, all products need not only to be checked with a routine inspection process but also a rigorous system of high temperature aging for a long time. The delay delivery always are a headache problem for most of buyers, Due to strong technical strength, superior production technology, advanced testing equipments , DVS can promise about 98% delivery on time.




New products from manufacturers at wholesale prices