Share on (60740790038):


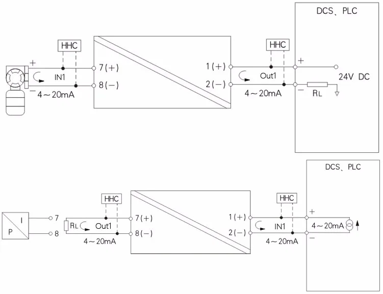
Application 1: 2-wire intelligent transmitter(HART), 2-wire intelligent transmitter Application 2: 2-wire valve positioner, electrical converter |











FAQ
Q: What information should I provide before order?
A: Please specify the following information:
1. Which Analog input signal you need? 4-20mA or HART?
2. Which output signal you need? 4-20mA or HART?
A: Dedication to our customers and recognition of industry requirements, we announced 5 years warranty at 2 0 1 3 and continues to drive our development of new products and solutions to meet our customers’ needs.
A: We are manufacturer, providing own brand product and also ODM/OEM services.
A: ≤ 20 pcs, generally it is 3~7 working days after 100% down-pay; 20-100 pcs, it is 2~4 weeks after 100% down-pay according to quantity; More than 100 pcs, pls contact with our support.
New products from manufacturers at wholesale prices