Share on (60780874985):


Fine finished steel gears,Hi-resistant Extruded alluminum body, Hi-resistant Die cast alluminum cover(BAP2) or cast-iron cover(BHP2), Low-friction die casting alluminum bushes,and DU slide bearing,all these keep low pulsation,low noise and long life.
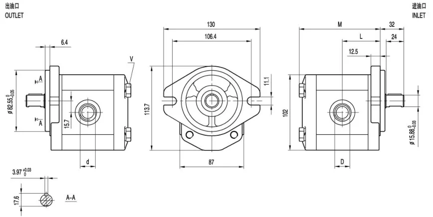
Technical information For BHP2A0 hydraulic gear pump
| Type | Displacement | Max.pressure | Max.speed | Min.speed | ||
| P1 | P2 | P3 | ||||
| cm3/rev | bar | bar | bar | r/min | r/min | |
| BHP2A0-D-3 | 3 | 270 | 285 | 300 | 4000 | 800 |
| BHP2A0-D-4 | 4 | 270 | 285 | 300 | 4000 | 600 |
| BHP2A0-D-6 | 6 | 270 | 285 | 300 | 4000 | 600 |
| BHP2A0-D-8 | 8 | 270 | 285 | 300 | 3500 | 500 |
| BHP2A0-D-10 | 10 | 270 | 285 | 300 | 3000 | 500 |
| BHP2A0-D-12 | 12 | 270 | 285 | 300 | 3000 | 500 |
| BHP2A0-D-14 | 14 | 250 | 265 | 280 | 4000 | 500 |
| BHP2A0-D-16 | 16 | 250 | 265 | 280 | 4000 | 500 |
| BHP2A0-D-18 | 18 | 250 | 265 | 280 | 3600 | 400 |
| BHP2A0-D-20 | 20 | 220 | 235 | 250 | 3200 | 400 |
| BHP2A0-D-22 | 22 | 220 | 235 | 250 | 3000 | 400 |
| BHP2A0-D-25 | 25 | 200 | 215 | 230 | 3000 | 400 |
| BHP2A0-D-28 | 28 | 180 | 190 | 200 | 2500 | 400 |
| BHP2A0-D-30 | 30 | 160 | 170 | 180 | 2500 | 400 |
How to order to order Boden hydraulic gear motor







New products from manufacturers at wholesale prices