Share on (60797364024):
Product Description
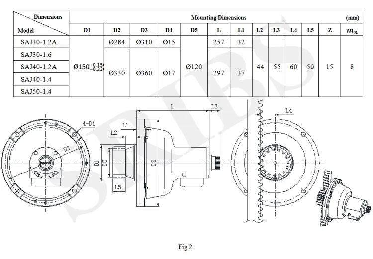
Application occasions: SAJ serials pinion and cone progressive safety devices are used in wire rope hoist ,hydraulic hoist and rack and pinion hoist.The following introduces the applications of all kinds of series of safety device :SAJ02-1.2 and SAJ08-1.2 safety device mainly used in small rack and pinion hoist ,such as wind power tower hoist ;SAJ30-0.5is used in ultra-low speed of safety device ,such as lifting platforms;Customers can choose the type of saft devices according to hoist rated lifting speed and load.Tripping Speed of safety devices is no more than 0.4m/s of the hoist's rated speed. The production of this product conforms to EN12159, EN12158, EN1495, GB26557-2011, JG121-2000.
SRIBS SAJ40 SAJ40-1.4Safety Device for Builders' Hoist is mainly used on construction elevator like GJJ BAODA ALIMAK ZOOMLION etc.







New products from manufacturers at wholesale prices