Share on (62053565241):
Principle:
KAIDE Air pressure disc brake is pneumatic brake, belongs to a more historical work of the transmission parts, its work is mainly by air pressure. Due to the use of air pressure, air pressure disc brake is more environmentally friendly, durable, low manufacturing costs. Easy installation, simple maintenance, high precision tension control occasions, provide a variety of torque control range, with good heat dissipation, can be widely used in packaging, thin paper and corrugated paper processing industry.
Disc brakes and disc clutches are driven axially by the piston on the cylinder block, thereby creating torque transfer. Once the cylinder is unloaded, the spring pushes the piston back to its starting position, and the torque disappears. When the spring brake is used, the axial thrust required by the torque is generated by the spring, and the brake can be released by applying appropriate air pressure to the piston.

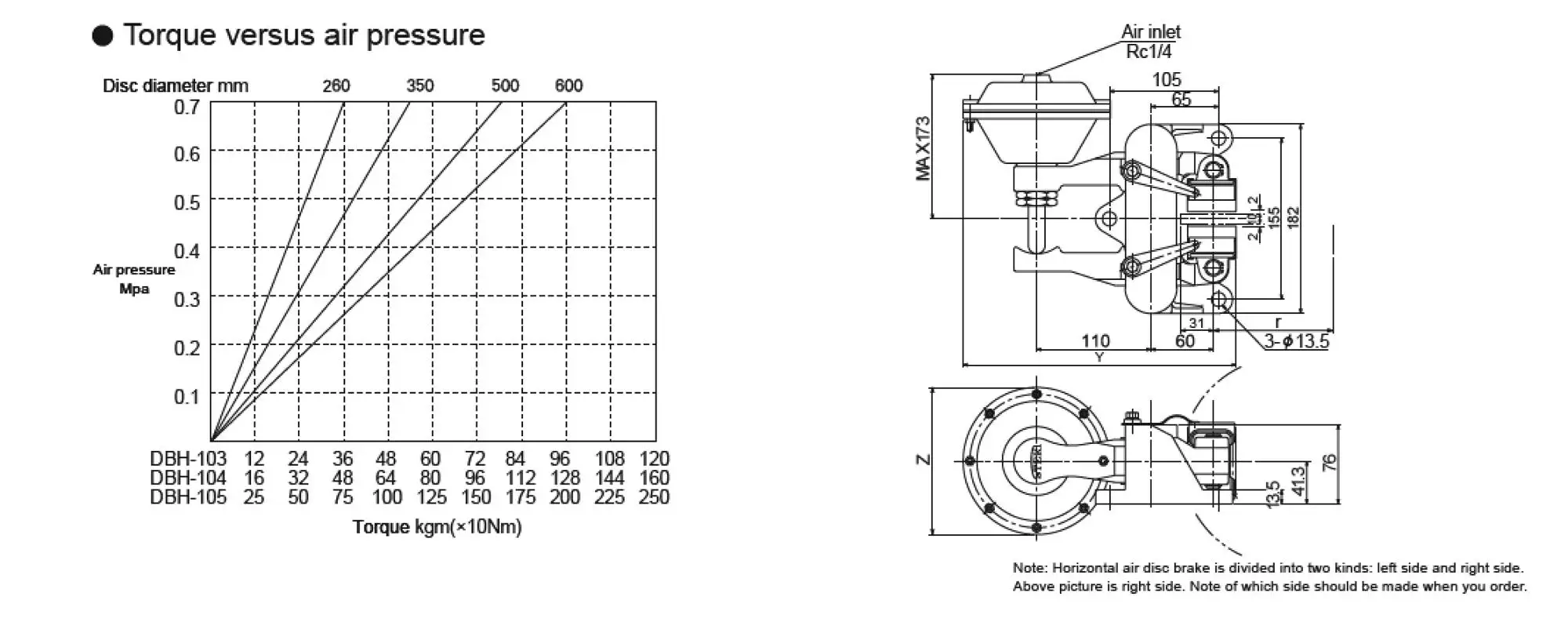
| Model | DBH-103 | DBH-104 | DBH-105 |
| Disc thickness | 10mm | 10mm | 10mm |
| Disc diamater | 200m↑ | 200m↑ | 200m↑ |
| Maximum pressure | 0.7Mpa | 0.7Mpa | 0.7Mpa |
| Compression ratio | 1.83 | 1.83 | 1.83 |
| Friction plate abrasion | 7mm | 7mm | 7mm |
| Weight (approximately) | 8kg | 8.5kg | 9kg |
| Y | 251mm | 263mm | 280mm |
| øZ | 118mm | 141mm | 177mm |

Advantages:
1,Effective exothermic, "continuous sliding" exothermic effect is good, by using heat capacity is very big with a heat sink disc, so compared with the electromagnetic, heat capacity, high frequency, stability of continuous sliding using torque due to not use is tasted, so not going to happen and make the product degradation due to overheating, even if the temperature rise will not reduce the torque.
2,A wide range of torque control, by changing the air pressure to make the mechanical subtle torque adjustment is possible to prevent overload gate, tension control, soft start smooth stop and so on are implemented with good accuracy.
3,Pneumatic safety, no electrical spark, because do not use electrical, so no electrical spark, safe and reliable. Non-asbestos friction plate friction side does not use asbestos, achieve good wear resistance and heat resistance.
4,Slow and free, high speed actuation and electromagnetic than 20 percent faster response speed, smooth connection and braking torque transmission adjustment is very simple, smooth dynamic connection, braking. The smooth actuation makes the mechanical durability upward and produces great value.
5,Long life, maintenance simple heat release effect is good, the thickness of the friction board has a lot of margin, and electromagnetic type compared, the life is 2.5 times to 5 times longer. Simple installation and operation due to its simple structure and integrated structure, so the installation and operation are simple, friction plate exchange is simple, is designed to be easy to exchange friction plate type.


security guaranteed 100%
Protect Your Payment, Secure Your Order



New products from manufacturers at wholesale prices