Share on (62591059933):
DC Solar IP65 safety Box 8 channel Solar PV array Combiner box
Product description
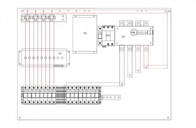
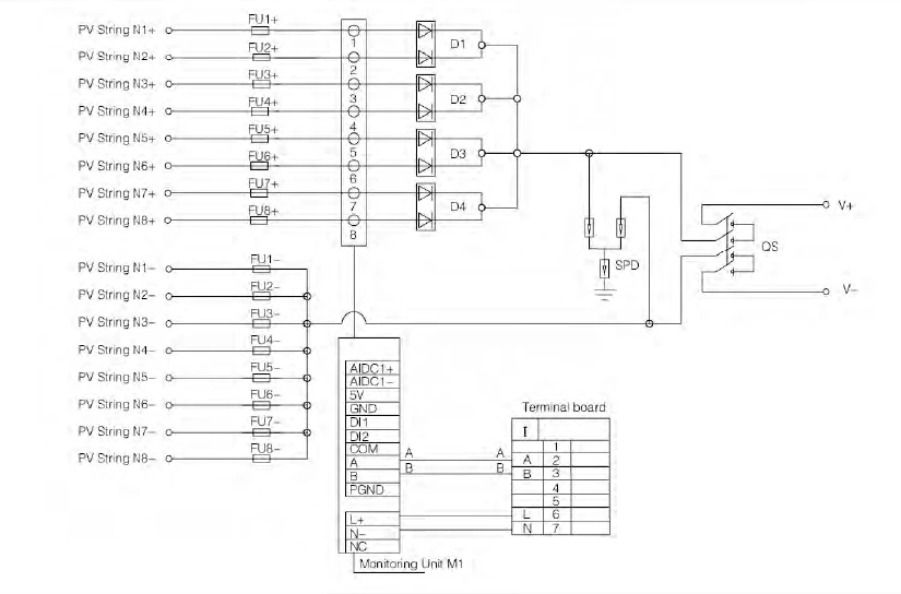
PowerSA-SUNio-PV 8/1 PV Combiner box DC input of 8 PV components to 1 output.each channel is with a fuse,output side is equipped with lightning protection and circuit breaker ,it greatly simplify input wiring of DC power distribution cabinet and inverter.Realize lightning protection,short circuit protection and grounding protection,PV combiner box divided into two types:intelligent and non-intelligent box . interlligent box is equipped with monitoring unit which can monitor input current of each string ,inside temperature,lightning protection status, circuit breaker status and summarize output voltage and so on .
Intelligent design and configuration strictly accordance with "Technical specification for photovoltaic junction equipment " (CGC/GF 037:2014).we provide users with a safe,brief, bright and applicable photovoltaic system products.
The product adopts outdoor wall mounted type which adapt to harsh enviroment ,in addition to core components, the other can be customized by user`s requirements.
Advantages:
• High Reliability
With DC FUSE
With DC Surge Protection Device
With DC circuit breaker or DC load isolation switch
• Strong Adaptability
IP65 design, waterproof, anti dust and anti ultraviolet.
Strict test for high and low temperature, used widely.
The simple installation,the simplified system wiring, the convenient wiring
The box body is made of cold rolled steel and other metal materials
• Flexible configuration
Used for single crystal silicon solar modules, polycrystalline silicon solar modules, thin film solar modules. Current rating of the photovoltaic fuse, circuit breaker, load isolation switch is modified

Technical Parameters



Packing and shipping
Shipping
1. we will ship the products within 15 working days after receipt of payment .
2. we can ship to you by UPS/FEDEX/DHL/TNT/EMS and so on .other shipping terms can also be arrange according specific requirements.
Logistics
1.UPS:3-5days arrive, door to door ,cheap
2.DHL:3-5days arrive, door to door ,cheap
3.TNT:3-5days arrive, door to door ,cheap+
4.FEDEX:3-7days arrive, door to door ,cheaper
5.EMS:5-9days arrive, door to door ,cheaper
6.By sea:15-30days arrive,to seaport,cheapest
7.By air:3-6days arrive,to airport,economy
Packaging
1.packaging detail : 1unit/CTN
2.Standard carton package
Company introduction



Contact us
Shenzhen Topband Automation Technology Co.,Ltd
New products from manufacturers at wholesale prices