Машина для производства ленточного пресса продуктов питания и напитков DNY 750 ленточный фильтр автоматический Filtro prensa de banda automatico

Сохранить в закладки 1601294686178:


Цена:20 000,00-30 000,00 $*

Количество:

  • В избранное

Описание и отзывы

Характеристики





Product Description


Environment food and beverage using belt press machine in hot sales

Based on the introduced advanced technology, DNY belt filter press is developed and designed based on DY belt filter press. DNY belt filter press is one ideal sludge-dewatering equipment which is widely used in chemical, coal, paper making, food staff, urban sewage industry. It's also can used for as a liquid-solid separating machine. It features in high efficiency, good dewatering effects and low consumption. Using this kind of DNY belt filter press, no need of concentrating pond, thus saving the investment and saving floor area..



Name
DY750
Size(mm)
4250*1630*2100
Color
Can be customized
Weight(kgs)
2570
Moisture content(%)
63~84.5
Dry Solid(kg/hr)
110~225

Power(kw)
Driving motor
0.75


Can be customized
Conditiong mixer
0.37
Drum Thickener
0.37
Belt Width(mm)
750
Price
9000~10000USD


Features of China filter press machine price

DY belt filter press has the following advantages:larger output, low consumption, smaller working space, better working condition, easy-operate and convenient maintenance. It's more automatic, ingenious and efficient with comparison to the same de-watering ways overseas or at home.



Working principle of China filter press machine price:

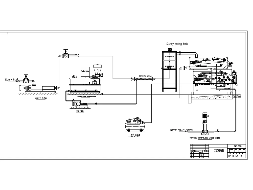
DY belt filter press consists of drive machine, sludge distributor, filtrating belt, tension device, automatic adjusting machine, filtrating belt washed machine, mud scraper, gravity dehydration, wedge dehydration, squeezing dehydration and frame, etc.

The process of filter is that sludge after flocculation treatment goes into sludge distributor to gravity dehydration which is a little long period with horizontal movement and small angle rising period; then filtrated sludge moves with filtrating belt and under gravity, free water is separated from flocculation material. Most of water are removed from sludge, so sludge almost loses mobility. Then into wedge dehydration. The space in wedge dehydration is from small size to big size and then the two filtrating belts come together to make sludge between two belts under gradually growing squeezing pressure to let water discharged frequently. At this stage, sludge has lost the mobility which prepares for squeezing dehydration next step.

The diameter of squeezing rollers are ordered from small to big size, but pressure on sludge grows gradually. Sludge is squeezed and plasma cut through several S type orders squeezing rollers to make saturated water dehydrated from sludge which finishes the dewatering process of sludge. When filtrating belt goes through discharging device, mud cakes are scraped by scraper from filtrating belt. The upper and lower filtrating belts are washed and then go back to gravity dehydration to fulfill next cycle of sludge dehydration.





Other Products






Our Company






Our Cases




Our Customer




Our Service


Pre-Sales Service

* Inquiry and consulting support.
* Sample testing support.
* View our Factory.

   In-Sales Service

    * Factory Price
    * Design project

After-Sales Service

* Training how to instal the machine

* Maintenance, warranty



Hornor Certificate






FAQ


Q1. How about your delivery time?
A: Generally, it will take 30 to 60 days after receiving your advance payment. The specific delivery time depends
on the items and the quantity of your order.
Q2. Can you produce according to the samples?
A: Yes, we can produce by your samples or technical drawings. 
Q3. What is your sample policy?
A: We can supply the sample if we have ready parts in stock, but the customers have to pay the sample cost and
the courier cost.
Q4. Do you test all your goods before delivery?
A: Yes, we have 100% test before delivery
Q5: How do you make our business long-term and good relationship?
A:1. We keep good quality and competitive price to ensure our customers benefit ;
    2. We respect every customer as our friend and we sincerely do business and make friends with them, no matter where they     come from.



Похожие товары

Новые поступления

Новинки товаров от производителей по оптовым ценам