Share on (10000005610089):
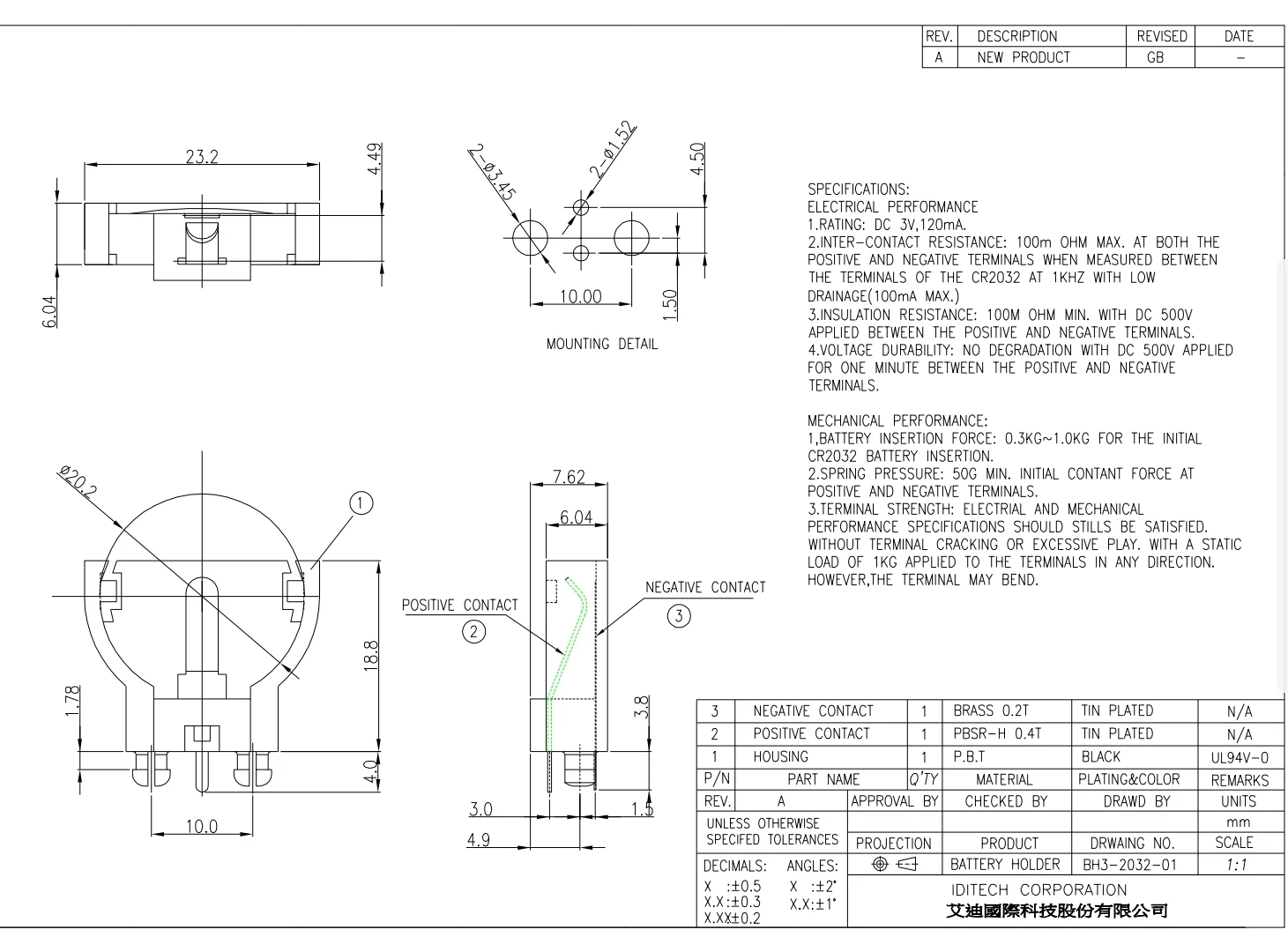
Model | BH3-2032-01 |
Place of origin | TAIWAN |
SPECIFICATIONS RATING | DC3V,120mA |
COLOR | Black |
Material: Housing | PBT |
Positive contact | PHOSPHOR BRONZE |
Negative contact | BRASS |
Plating | Ni |






New products from manufacturers at wholesale prices