Share on (1600852726331):
Analog Signal Isolator 1 Input 1 Output 0-10V Passive Automatic Control Input Signal Converter Current Distribution Transmitter
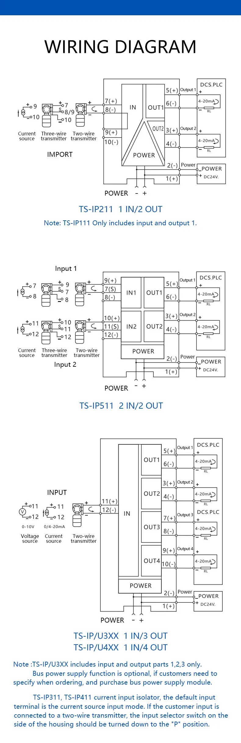
•TS-IPX11 series current input distribution isolator, used to provide isolated distribution power to the field transmitter, at the same time, the transmitter or current source generated 4-20mA signal after isolation, interference suppression and other processing, output current or voltage signals to the control system or PLC, DCS and other instruments.
•TS-IP/UXXX series signal isolator distribution, using DC24V power supply, for the field transmitter to provide isolated distribution power supply, while realizing voltage, current and other signals conversion, and has the function of signal distribution, with one in three out, one in four out and other output types.
•Input terminal interface current source, two wire system, three wire system transmitter universal; Internal use of efficient magnetic and electrical isolation technology, input, output, power mutually isolated, with high precision, high linearity, extremely low temperature drift, short response time and other characteristics.
•Adopts 12.5mm ultra-thin shell, DIN35mm standard guide rail independent installation mode (optional bus power supply function); Using the latest energy saving circuit, minimal temperature rise, suitable for intensive installation of guide rail. Input, output, power three isolation.
SELECTION TABLE
TS-IP | X | X | X | Instructions |
Channel | 1 |
|
| 1 IN / 1 OUT |
2 |
|
| 1 IN / 2 OUT | |
5 |
|
| 2 IN / 2 OUT | |
Input Signal | 1 |
| 4~20mA | |
2 |
| 0~20mA | ||
Output Signal | 1 | 4-20mA | ||
2 | 0~20mA | |||
4 | 0-5V | |||
6 | 0-10V | |||
Product Selection: EG:TS-IP5110 2 IN/2 OUT,Input:4-20mA ,Output:4-20mA | ||||
Main Technical Parameters
Input | |
Input Signal | 0(4)-20mA,Max input current;22mA |
Power Distribution | Distribution voltage:≥21V;Normal working current: ≤25mA(Single path);Distribution output clamp current:28mA |
Input impedance | ≤25Ω |
Output | |
Output Current | 0(4)~20mA ;Load resistance:RL≤800Ω |
Output Voltage | 0(1)-5V ;Load resistance:RL≤330kΩ 0(2)-10V ;Load resistance:RL≤660kΩ |
General Technical Parameters | |
Number of Channels | 1 IN/1 OUT,1 IN/2 OUT,2 IN/2 OUT |
Power Supply | DC 24V,Voltage Range:DC 18~40V |
Current Consumption | ≤60mA(1 IN/1 OUT,24V Power supply,20mA Output,Load resistance=550Ω) ≤70mA(1 IN/2 OUT,24V Power supply,20mA Output,Load resistance=550Ω)
|
Basic Accuracy | ±0.1%F.S(20℃) |
Temperature Drift | ≤±1uA/10℃(-20°C~+60°C) |
Response Ttime | ≤10ms (0-90%)(TYP) |
Dielectric Strength | 2500V AC/1 min (among input/output/power supply) |
Insulation Resistance | ≥100MΩ (among input/output/power supply) |







Q: Is there any stock?
A: Yes,we have materials in stock to help you to get the samples as soon as we can.
Q: How to track my Order?
A: After shipped, we will email you the tracking number.You can check the shipping status of your order on the website.
Q: How about warranty ?
A: Warranty: 3years, Lifetime maintenance.
Q: How about after-sales service?
A : We are 24 hours online, if you have any problem,pls contact us directly.
Q: Any discount?
A : For bulk purchase or distribution agents, we will apply the best price for you,If we have any promotions, we will post in store and send you an email to inform you.
Q:Why to choose Taihua Instrument Signal Isolator ?
1.Instruments has been exported to over 50 countries.
2.100% QC inspection Before Shippment.
3.ISO,CE,SGS standard and factory price.
4.All instruments has been 100% recognized by Bureau of National Metrology.
5.Excellent product quality and strong technical support capability.
New products from manufacturers at wholesale prices