Golf Cart 1204M 5305 36V 48V 500A Electric Tractor Scooter Motorcycle Curtis Controller ev conversion kit for car

Share on (1601269720630):


Price:$195.00 - $205.00

Quantity:


Product Overview

Description



Product Description


Specifications
* 1204M-5305 is the new upgraded version of 1204M-5305 DC series motor controller, with new J5 terminal (reverse signal output /
main contactor coil driver), and supporting more throttle types
* full controlling set for 36V or 48V DC Series Motor
* proposed motor power rate: 3.3 - 4.6 kW
* simple motor connecting labels on assemblage
* easy installation with components mounted on a heat-sink aluminium alloy installation plate
* foot pedal accelerator (throttle), pre-wired for assemblage
* simple plug-in connctors (1204M / 05M Controller Assemblage Connectors' Definition (PDF format))
* Easy to install (1204M / 05M Controller Assemblage Installation Instruction (PDF format))
* reinforced carton package, safe for international delivery




Specification


item
value
Model Number
1205M-5603
Color
Black
Voltage
36V/48V
Current
500A
Sizes
L198*W114*H68 mm
Application
Electric Vehicle
Excitation Type
Series Excitation








Overview:

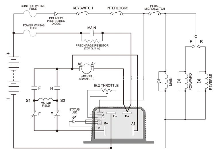
This 1205M-5603 controller assemblage is a completed electric vehicle DC Series Motor control system. The assemblage includes:

controller
main contactor
forward / reverse contactor
fuses
wiring
heat-sink aluminium alloy installation plate
foot pedal accelerator (throttle)
plug-in connectors
installation (bolts, washes and nuts) kit Included

Key Features:
Curtis Model: 1205M-5603
Norminal Battery Voltage (Volts): 48V (default setting) or 36V
1 Minute Current Rating (amps): 500
1 Hour Current Rating (amps): 200
Plug Braking (A2 Busbar): Yes


Packing & Delivery




To better ensure the safety of your goods, professional, environmentally friendly, convenient and efficient packaging services will be provided.


Company Profile










Hefei Huanxin Technology Development Co.,Ltd, established in 2004, is a professional manufacturer engaged in the research, development, production, sales and service of Motor Controller, DC-DC Converter, Drive Wheel Assembly, Instrument Cluster, Switch, Accelerator and so on. Our company specialized in various kind of pallet trucks parts and forklift parts for both domestic and international markets.

Also our company is the first-level agent of CURTIS BRAND and appointed of Britain Albright Contactor. In addition we have obtained ISO9001 and CE Certificates.

Whether selecting a current product from our catalog or seeking engineering assistance for your application, you can talk to our customer service center about your souring requirement.

We welcome new and old customers from all walks of life to contact us for future business relationships and mutual success.


Certifications




Related Products




FAQ


1. who are we?
We are based in Anhui, China, start from 2004,sell to Domestic Market(33.00%),North America(15.00%),Southeast Asia(10.00%),South America(8.00%),Mid East(5.00%),South Asia(5.00%),Eastern Europe(3.00%),Africa(3.00%),Oceania(3.00%),Eastern Asia(3.00%),Western Europe(3.00%),Central America(3.00%),Northern Europe(3.00%),Southern Europe(3.00%). There are total about 101-200 people in our office.

2. how can we guarantee quality?
Always a pre-production sample before mass production;
Always final Inspection before shipment;

3.what can you buy from us?
Lithium Battery,Battery Charger,Tiller Head,DC Converter,Accelerator,Battery Meter

4. why should you buy from us not from other suppliers?
Established in 2004, is a professional manufacturer engaged in the research, development, production, sales and service of electric vehicle controller, handle, meter, electronic accelerator and so on. Our products are mainly exported to Europe, USA, Asia,

5. what services can we provide?
Accepted Delivery Terms: FOB,CIF,EXW,Express Delivery;
Accepted Payment Currency:USD,HKD,CNY;
Accepted Payment Type: T/T,L/C,PayPal,Western Union;
Language Spoken:English,Chinese


0.0178 s.