2 Channel Digital Dimmer Controller For Machine Vision Lighting Brightness Adjustment

Share on (1601276831028):


Price:

Quantity:


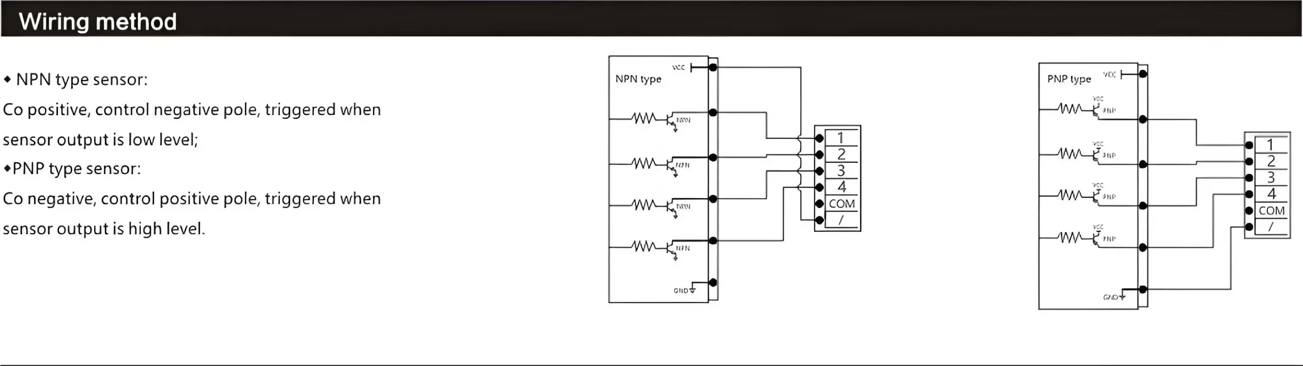
Product Overview

Description









Detailed introduction
The KAC series is our company's analog light source controller, which provides stepless adjustment of lighting intensity for the light source through voltage control. The core components of this series of controllers have passed UL, CE and other certifications. The maximum output current of a single channel can reach 3A, and the external trigger adopts a high-speed optical coupler isolation design. In addition, the KAC series controller provides a 24V standard voltage output interface, which can provide power supply for other devices in the machine vision inspection system (such as cameras, PLCs). The KAC series controller has the advantages of high power, multi-function, high response speed, and high stability.









Model
KAC2-24V120W-4T
Drive mode
constant voltage
Dimming method
Potentiometer adjustment
input voltage
AC100-240V
Number of channels
4
output voltage
DC24V
Total power
120W
Single channel power
72W(3A)
Output port
SM3P Female Head (1.Output+2, Empty 3, Output -)
External trigger voltage
12-24V(About5mA)
Trigger delay
<1ms
Use temperature and humiditySave
0-40°c
temperature and humidityCooling
-20--60°c
method
Fan
weight
240g
size
162.5*101.5*94.4mm




























Q: Are you a manufacturer?
A: We are manufacturer focus on machine vision related hard and software.

Q: Is sample available before making bulk order?
A: Can you offer a sample order for it?.

Q: What is the lead time?
A: 80% standard products is available and ship in 24H, Customized product most below 1 week.

Q: Do you have any MOQ requirement?
A: we don't have any MOQ requirement.

Q: How to place an order for machine vision light?
A: S1, Provide your detail requirements or application.
S2, we evaluate and offer the correct product to mach your requirements.
S3, we quote and you confirm and pay either deposit or full amount for your order.
S4, We ship the goods if in stock, or arrange production.

Q: Do you have any testing reports?
A: Yes, we offer the product related testing and report.




0.1598 s.