Share on (1601282997193):

Sample orders | Support |
Certification | CQC、UL、VDE、CE |
Current | 1A-10A For your choice |
OEM | Support |
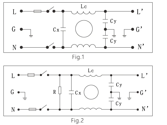
Part No. | Rated Current [A] | 250VAC/50Hz @ 20C Leakage Current [mA] | Physical Dimensions | Electrical Schematics | Terminals | Weight [g] |
VIP1-1D-01 | 1A | <0.5mA | Fig 1 | Fig 1 | 0 | 60 |
VIP1-1D-03 | 3A | <0.5mA | Fig 1 | Fig 1 | 0 | 60 |
VIP1-1D-06 | 6A | <0.5mA | Fig 1 | Fig 1 | 0 | 62 |
VIP1-1D-10 | 10A | <0.5mA | Fig 1 | Fig 1 | 0 | 65 |
VIP1-1E-01 | 1A | <0.5mA | Fig 2 | Fig 2 | 0 | 65 |
VIP1-1E-03 | 3A | <0.5mA | Fig 2 | Fig 2 | 0 | 70 |
VIP1-1E-06 | 6A | <0.5mA | Fig 2 | Fig 2 | 0 | 72 |
VIP1-1E-10 | 10A | <0.5mA | Fig 2 | Fig 2 | 0 | 75 |










New products from manufacturers at wholesale prices