Share on (60123874069):
15m3 water tank series
Manufactured and accepted according to the requirements of GB150-98 Steel Pressure Vessel or JB/T4735-97 Steel Welding Normal Vessel.
Jhenten Quality Control for Stainless Steel 15m3 water tank
1.The raw materaial plate was anlysised by our material anlysier to assure the quality
2.The welding is argon arc weld(TIG) to avoid plate's oxidized
3.After welding the the inner tank ,we will make a full water pressure test to check the welding joint .After welding the jacket ,the full water pressure test be done for jacket too
4.After finishing the surface finish ,our people will make a surface roughness testing to assure the Ra data .
5.After agitator installment ,we will operate it to assure the function is good .
6.The nozzle's position 's confirm also is checked by our quality control people .
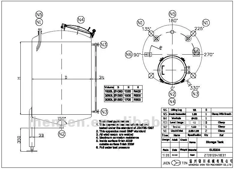
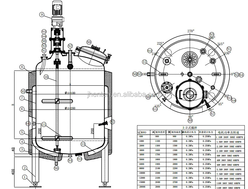
15m3 water tank | |
Material: | SS304 or SS316L or Duplex stainless or 904L |
Design Pressure: | -1 -10 Bar (g) or ATM B9 |
Work Temperature: | 0-200 °C |
Volumes: | 100~30000L |
Construction : | Vertical type or Horizontal type |
Jacket type : | Dimple jacket, full jacket, or coil jacket |
Structure : | Single layer vessel, vessel with jacket, vessel with jacket and insulation |
Heating or cooling function | According to the heating or cooling requirement , the tank will have jacket for requried function |
Opitional Motor: | ABB, Siemens, SEW or Chinese brand |
Surface Finish: | Mirror Polish or Matt polish or Acid wash&pickling or 2B |
Standard components : | Manhole,sight glass , cleaning ball |
Optional components : | Vent filter, Temp. Gauge, display on the gauge directly on the vessel Temp sensor PT100, digital display on the control cabinet by instrument Temp sensor with control for heating and cooling Level gauge with digital display on the control cabinet by instrument Load cell Valves |
Applications: | Wine, Beer Juices Food & Beverage Pharmaceutical Biotechnology & Laboratory Medical &Medical Device Chemical Industry Painting Industrial |
Some drawing for referring








Q: CAN I HAVE SAMPLES TO TEST?
A: Yes, we are pleased to supply samples to test and check quality, miled sample order is available. Please note, free samples is not acceptable.
Q: DO YOU HAVE ANY MOQ LIMITED?
A: Our MOQ is 1PC to supply new customers.
Q: WHAT'S THE LEAD TIME?
A: Sample: 20-25days. Mass production: 25-30days depend on the order quantity.
Q: HOW DO YOU SHIP THE GOODS AND HOW LONG DOES IT TAKE?
A: We ususlly ship by sea. DHL, UPS, fedex TNT are also acceptable.
New products from manufacturers at wholesale prices