Share on (1600575624061):
For 165 5000W motor powertrain kits, it could be used for electric motorcycle, which could be 60V 90KPH.
e.g. Similar Light bee
E-motorcycle weight, approx 80kg+1*70kg
Speed: peak 90km/h
Gear ratio: 1:4.77
Climbing slope: 20°@10kph@150kg@60s
Tire: 100/70-19
P.S. If you have any confused about the shipping cost, please feel free to contact with us.
Also could place order but don't pay first, then we could adjust the price.
Combo 1
1. 1pcs X QS 165 5000W Encoder Mid Drive Motor
2. 1pcs X ND72360B Encoder Controller with blue-tooth
Combo 2
1. 1pcs X QS 165 5000W Encoder Mid Drive Motor
2. 1pcs X ND72490B Encoder Controller with blue-tooth
Key Features
1). Simplify to make a electric-motorcycle. Gearbox, transmission shaft, clutch are no need. Which save space.
2). It could be installed in the rear to save more space for battery.
3). Support regenerative braking
4). High efficiency: 85~92%
Product Description
1. QSMOTOR 165 5000W Mid drive motor

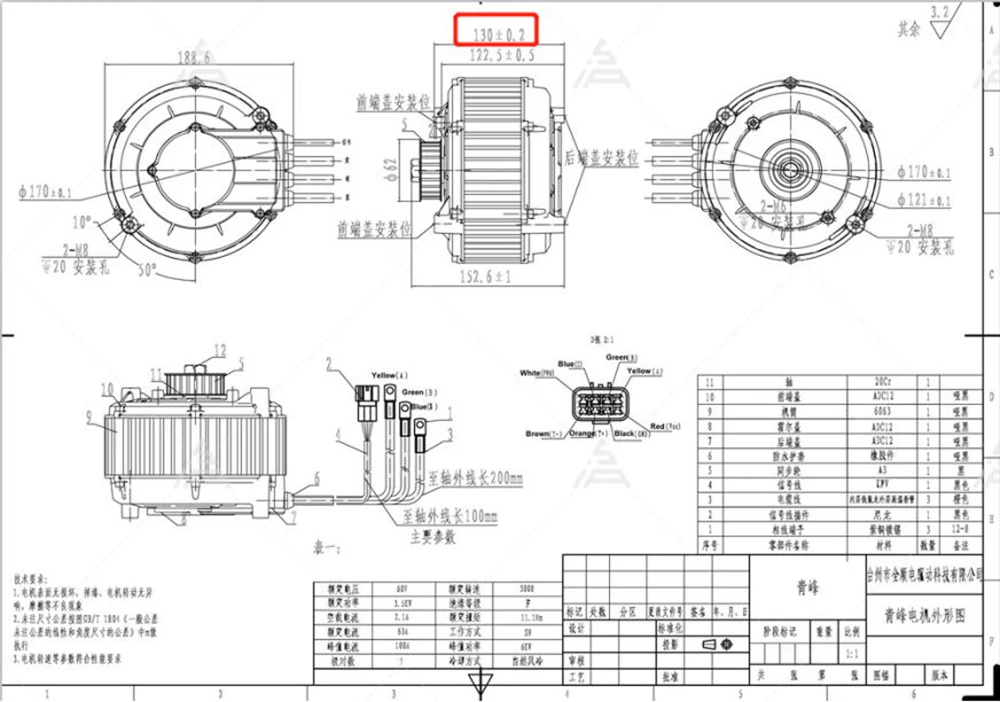
Drawing
Pls note: The width of QS165 Motor will update to 127MM instead of original 130MM from the batch dated 20220801.
130MM

127MM

Refer to motor batch date:
N-2022; 1-V1 version; 0801-0801

TEST REPORT
QS165+ND72490B


2. ND72360B/ND72490B sine wave Encoder Controller
ND series controller is sine wave type controller, which is DC controller with self-learning function. Generally, it matches well with QS 165 Mid Drive Motor, if you want to match with new brand motor, some parameters should be tested by yourself.
SPEC
ND72360B

ND72490B

Drawing

Controller Software Interface

USB cable

Application






New products from manufacturers at wholesale prices