Share on (1600599870363):
For 165 5000W motor powertrain kits, it could be used for electric motorcycle, which could be 60V 90KPH.
e.g. Similar Light bee
E-motorcycle weight, approx 80kg+1*70kg
Speed: peak 90km/h
Gear ratio: 1:4.77
Climbing slope: 20°@10kph@150kg@60s
Tire: 100/70-19
P.S. If you have any confused about the shipping cost, please feel free to contact with us.
Also could place order but don't pay first, then we could adjust the price.
Key Features
1). Simplify to make a electric-bicycle. Gearbox, transmission shaft, clutch are no need. Which save space.
2). It could be installed in the rear to save more space for battery.
3). Support regenerative braking
4). High efficiency: 85~92%
Product Description
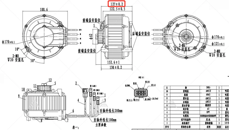
QSMOTOR 165 5000W Hall Mid drive motor

Drawing

Test Report
165 mid drive motor test with far driver controller ND72490






New products from manufacturers at wholesale prices