Share on (60761743050):
Why choose BENXU?
♦ Focus on Sensor Production all the time
♦ The Best Quality with Reasonable Factory Directly Price
♦ Have Passed CE,RoHS etc Certificates
♦ 18 Months Quality Guarantee Starting from the Date of Delivery
Do you care about followings after place an order?
♦ Quality problem?
BENXU signs the 18 months warranty of quality with you.
♦ Price problem?
If think price is higher at same top quality by comparison with others,we will refund you.
♦ After sale problem?
Artificial damage:will offer technical support.
Quality problem:will do repair or offer replacement without any cost within 18 months.
♦ Can’t deliver in time or some other problems?
Go ahead with Trade Assurance Online:

PSM18V is a pressure sensor module,using the high accuracy import ceramic piezoresistive sensor core,small size and easy to install,it has nice stability at the wide temperature range,widely used in the field of automobile,refrigerator,air-conditioning plant,air compressor,water treatment system etc.
Technical Parameters:
Pressure Range | 0-50 BAR |
Output Signal | 0.5-4.5V |
Power Supply | 5VDC |
Working Temperature | -40℃~85℃ |
Overload Capacity | 200%FS |
Accuracy | ±0.5%FS |
Temperature Drift | ±0.02%F.S./℃ |
Electrical Connection | Direct Lead |
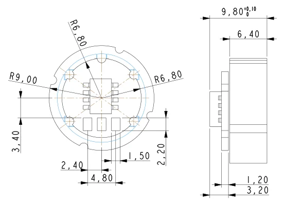
Dimensional Drawing:mm

Definition for the wires:

1 | 2 | 3 |
Power + | Voltage Output | Power - |
BENXU—a technical corporation with own research and development team,focus on production and sales for quality products of pressure/level/weighing/temperature measurement all the time.
1:What detailed information do I need to provide if I want to place an order?
application,measured medium,work temp.,test range,output,screw port,electrical connection etc.
2:How long will get the reply?
Contact you in 6 hours during working days or talk online through TradeManager,Skype,Wechat.
3:Could I get samples?
Any quantity samples are available for you to test our quality.
4:Could you provide me the shortest lead time?
We have materials in stock,we will put your order ahead of schedule if need in rush.
5:Could I visit your factory?
Of course,we warmly welcome you to visit our factory.
6:What’s the terms of payment?
Paypal or Western Union for samples,TT or LC for bulk order.
7:How could you control the quality?
100% incoming quality control for materials,process inspection when produce,and then do long-term test for temperature compensation,aging test,long-term stability performance etc if need,and then final inspection before leaving the factory.
8:Can we use our logo on the products?
Yes,we can provide OEM/ODM service and make your laser logo.
9:What's the means of transport?
DHL/FEDEX/UPS/EMS/TNT/China Post/Sea etc. Freight prepaid or Freight collect.
New products from manufacturers at wholesale prices